相关习题
 0  83982  83990  83996  84000  84006  84008  84012  84018  84020  84026  84032  84036  84038  84042  84048  84050  84056  84060  84062  84066  84068  84072  84074  84076  84077  84078  84080  84081  84082  84084  84086  84090  84092  84096  84098  84102  84108  84110  84116  84120  84122  84126  84132  84138  84140  84146  84150  84152  84158  84162  84168  84176  235360 

科目: 来源:2009-2010学年江苏省苏州市常熟市九年级(上)期末物理试卷(解析版) 题型:填空题

在水平地面上,小明用100N的水平推力推动重为150N的箱子,8s内前进了12m,这个过程木箱所受重力对木箱做功为    J,小明对木箱做功为    J,做功的功率为    W

查看答案和解析>>

科目: 来源:2009-2010学年江苏省苏州市常熟市九年级(上)期末物理试卷(解析版) 题型:填空题

如图所示,在试管中装些水,用软木塞塞住,加热使水沸腾,水蒸气会把软木塞冲开,此时相当于汽油机工作循环中的    冲程,其能量转化是:   

查看答案和解析>>

科目: 来源:2009-2010学年江苏省苏州市常熟市九年级(上)期末物理试卷(解析版) 题型:填空题

家庭电路中的开关和被控制的用电器是    联的;电灯、电视机、电冰箱等家用电器之间是    联的.

查看答案和解析>>

科目: 来源:2009-2010学年江苏省苏州市常熟市九年级(上)期末物理试卷(解析版) 题型:填空题

要改变通电导体在磁场中的受力方向,可以改变    或改变电流方向.直流电动机就是利用换向器自动改变线圈中    的方法使线圈持续转动的.

查看答案和解析>>

科目: 来源:2009-2010学年江苏省苏州市常熟市九年级(上)期末物理试卷(解析版) 题型:填空题

现有一个标有”3.6V,0.9W”字样的灯泡,要使它接到6V的电源上正常发光,应跟它     联一个电阻,其阻值是     Ω.功率     W.

查看答案和解析>>

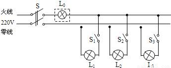
科目: 来源:2009-2010学年江苏省苏州市常熟市九年级(上)期末物理试卷(解析版) 题型:填空题

电工师傅常用一只额定电压为220V的灯泡L(检验灯泡)取代保险丝来检查新安装的照明电路中每个支路的情况,如图所示.当S闭合后,再分别闭合S1、S2、S3(每次只能闭合其中之一)时,可能出现以下三种情况,试判断(选填:“短路”、“断路”或“正常”):
(1)L不亮,说明该支路   
(2)L正常发光,说明该支路   
(3)L发光呈暗红色,说明该支路   

查看答案和解析>>

科目: 来源:2009-2010学年江苏省苏州市常熟市九年级(上)期末物理试卷(解析版) 题型:解答题

在图中画出力F1和F2的力臂.(支点为O)

查看答案和解析>>

科目: 来源:2009-2010学年江苏省苏州市常熟市九年级(上)期末物理试卷(解析版) 题型:解答题

如下图所示,请在圆圈内填上“A”或“V”,使灯泡正常发光.

查看答案和解析>>

科目: 来源:2009-2010学年江苏省苏州市常熟市九年级(上)期末物理试卷(解析版) 题型:解答题

通电螺线管周围的磁感线分布及方向如图所示,请标出它的N、S极以及电源的正负极.

查看答案和解析>>

科目: 来源:2009-2010学年江苏省苏州市常熟市九年级(上)期末物理试卷(解析版) 题型:解答题

请完成图所示的家庭电路的连接.

查看答案和解析>>

同步练习册答案