相关习题
 0  84052  84060  84066  84070  84076  84078  84082  84088  84090  84096  84102  84106  84108  84112  84118  84120  84126  84130  84132  84136  84138  84142  84144  84146  84147  84148  84150  84151  84152  84154  84156  84160  84162  84166  84168  84172  84178  84180  84186  84190  84192  84196  84202  84208  84210  84216  84220  84222  84228  84232  84238  84246  235360 

科目: 来源:2009-2010学年江苏省苏州市昆山市九年级(上)期末物理试卷(解析版) 题型:解答题

某同学在做“测定小灯泡功率”的实验时,连接的实物电路如图所示.在检查线路时,发现有一根导线连接错误.请你在图中用“×”标出这根错接的导线,并画出改接后的导线(不能与其他导线交叉).

查看答案和解析>>

科目: 来源:2009-2010学年江苏省苏州市昆山市九年级(上)期末物理试卷(解析版) 题型:解答题

请在如图所示的家庭电路,以笔画线代替导线,将一个两孔插座和一个带拉线开关的螺口灯泡接入电路.

查看答案和解析>>

科目: 来源:2009-2010学年江苏省苏州市昆山市九年级(上)期末物理试卷(解析版) 题型:解答题

甲同学在用电炉烧水时发现电炉丝热得发红,而与它相连的导线却几乎不发热.甲同学猜想“电阻越大,发热功率越大”.而乙同学在用电炉烧水时发现,将两个电阻不同的电炉分别接到家庭电路中时,电阻小的电炉烧水快些,相同时间内产生的热量多些.乙同学猜想“电阻越小,发热功率越大”.现有镍铬合金丝做的电阻R1和R2,阻值分别为5Ω和10Ω,两个相同的容器中装入质量和温度都相同的煤油,另有温度计、电池组、开关、导线、变阻器等实验器材.
(1)为了验证甲同学的猜想,请利用以上器材设计实验,用笔画线代替导线连接好图甲的电路.

(2)下表是验证甲同学的猜想时实验得到的数据:
 加热时间/min 0 8 16 24
 装有R1容器中煤油的温度/℃ 20.0 21.6 23.2 24.7
 装有R2容器中煤油的温度/℃ 20.0 23.1 26.0 28.9
从上述实验数据分析发现,发热功率与电阻的关系是______.
(3)电流产生热量的多少不易直接测量.因此,在这个实验中是通过比较______来比较电阻R1、R2产生热量的多少.
(4)为验证乙同学的猜想,请在图乙的方框中画出实验电路图.
(5)甲同学与乙同学观察到的现象似乎有矛盾,请加以分析.原因:______.

查看答案和解析>>

科目: 来源:2009-2010学年江苏省苏州市昆山市九年级(上)期末物理试卷(解析版) 题型:解答题

小明做“测滑轮组机械效率”实验时,用图中所示的滑轮,组装成滑轮组,请在图中画出使用该滑轮组时最省力的绕法.用此滑轮组将重为6N的物体匀速提起时,拉力的功率为0.48W,滑轮组的机械效率为75%.(忽略摩擦及绳重)
求:(1)拉力的大小.
(2)物体上升的速度.

查看答案和解析>>

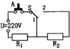
科目: 来源:2009-2010学年江苏省苏州市昆山市九年级(上)期末物理试卷(解析版) 题型:解答题

家乐牌电热水器的简化电路如图所示,A为自动温度开关,当水的温度达到设定温度时自动断开电路,低于设定温度时,自动接通电路.S是热水器的功率选择开关,可选择高、低两种加热功率,R1、R2都是发热电阻器.主要的技术指标如下表
额定电压(V)220发热电阻类别电热管
输入功率一档(W)2200输入功率二档(W)1210
温度范围(℃)20-78容积(L)20
(1)把一箱水温度升高10℃时,水吸收的热量是多少?[c=4.2×103J/]
(2)当S拨至1时,热水器正常工作时电路中的电流是多少?
(3)当S拨至2时.电热管的实际功率只有1000W,实际电压是多少?

查看答案和解析>>

科目: 来源:2009-2010学年江苏省苏州市昆山市九年级(上)期末物理试卷(解析版) 题型:解答题

如图(a)所示是某生产流水线上的产品输送及计数装置示意图.其中S为一激光源,R1为光敏电阻(有光照射时,阻值较小;无光照射时,阻值较大),R2为定值保护电阻,a、b间接-“示波器”(示波器的接入不影响电路).光敏电阻两端的电压随时间变化的图象,可由示波器显示出来.水平传送带匀速前进,每当产品从传送带上通过S与R1之间时,射向光敏电阻的光线会被产品挡住,示波器显示的电压随时间变化的图象如图(b)所示.已知计数器电路的电源电压恒为6伏,保护电阻R2的阻值为20欧.
求:(1)光敏电阻在有光照和光被挡住两种状态下的阻值
(2)整条电路在1小时内消耗的电能.

查看答案和解析>>

科目: 来源:2008-2009学年山东省聊城市高唐县九年级(上)期中物理试卷(解析版) 题型:选择题

对物理量的估测,是一种良好的学习习惯,也是学好物理的基本功之一.下面是小宇同学对自己身体相关物理量的估测,明显不合理的是( )
A.体重大约有500N
B.手指甲的宽度约为1.0mm
C.身高大约是163cm
D.身体的平均密度大约是1.0×103kg/m3

查看答案和解析>>

科目: 来源:2008-2009学年山东省聊城市高唐县九年级(上)期中物理试卷(解析版) 题型:选择题

诗句“两岸猿声啼不住,轻舟已过万重山”中,描写轻舟处于运动的条件下,所选的参照物不能是( )
A.河岸
B.山
C.山上的树
D.轻舟上的人

查看答案和解析>>

科目: 来源:2008-2009学年山东省聊城市高唐县九年级(上)期中物理试卷(解析版) 题型:选择题

广安火车站并列停着两列客车,突然,坐在甲车上的小颖看到乙车正在后退.则下列判断中一定错误的是( )
A.甲乙两车都静止在原位置不动
B.甲车静止不动,乙车正在后退
C.甲车正在前进,乙车静止不动
D.甲车正在前进,乙车正在后退

查看答案和解析>>

科目: 来源:2008-2009学年山东省聊城市高唐县九年级(上)期中物理试卷(解析版) 题型:选择题

小华同学从家中到学校通常步行10min,则小华家到学校的距离最接近于( )
A.5000m
B.500m
C.50m
D.5m

查看答案和解析>>

同步练习册答案