相关习题
0 84349 84357 84363 84367 84373 84375 84379 84385 84387 84393 84399 84403 84405 84409 84415 84417 84423 84427 84429 84433 84435 84439 84441 84443 84444 84445 84447 84448 84449 84451 84453 84457 84459 84463 84465 84469 84475 84477 84483 84487 84489 84493 84499 84505 84507 84513 84517 84519 84525 84529 84535 84543 235360
科目:
来源:2007-2008学年苏科版九年级(上)期末物理试卷3(解析版)
题型:选择题
如图所示,A、B两个相同容器内分别装有质量和初温都相同的水,现分别用电热丝R
1、R
2加热水,若R
1=2R
2,则通电后( )

A.A中的水先沸腾;
B.B中水先沸腾;
C.两容器中的水同时沸腾;
D.无法确定
查看答案和解析>>
科目:
来源:2007-2008学年苏科版九年级(上)期末物理试卷3(解析版)
题型:选择题
现有两个白炽灯泡,甲灯标有“220V 100W”、乙灯标有“220V 40W”,将甲、乙两灯并联或串联后接在照明电路中,比较甲、乙两灯的亮度,对此下列解释正确的是( )
A.串联时,两灯电流相等,乙灯电阻大,根据P=I2R,乙灯实际功率大,所以乙灯较亮
B.串联时,因为通过甲、乙两灯电流一样大,实际功率一样大,所以一样亮
C.并联时,两灯电压相等,甲灯电阻大,根据P=U2/R,甲灯实际功率小,所以甲灯较暗
D.并联时,因为甲、乙两灯电压一样大,实际功率一样大,所以一样亮
查看答案和解析>>
科目:
来源:2007-2008学年苏科版九年级(上)期末物理试卷3(解析版)
题型:选择题
将分别标有“8V 4W”、“4V 2W”字样的灯L1、L2串联使用.当灯L1正常发光时,灯L2会( )
A.正常发光
B.比正常发光暗
C.比正常发光亮
D.以上三种情况均有可能
查看答案和解析>>
科目:
来源:2007-2008学年苏科版九年级(上)期末物理试卷3(解析版)
题型:选择题
如图所示的电路,当开关S闭合后,两电压表(注:规格相同的学生用电压表)的指针偏转角度相同,且两灯都发光,则下列说法中错误的是( )

A.灯L
1和灯L
2串联
B.通过灯L
1和L
2的电流相等
C.灯L
1电阻是灯L
2电阻的4倍
D.灯L
2两端电压是灯L
1两端电压的4倍
查看答案和解析>>
科目:
来源:2007-2008学年苏科版九年级(上)期末物理试卷3(解析版)
题型:选择题

如图所示的电路较为复杂,但采用合理的估算,就可以计算出A表与mA表的示数分别为( )
A.0.13,30
B.0.11,10
C.0.33,30
D.0.31,10
查看答案和解析>>
科目:
来源:2007-2008学年苏科版九年级(上)期末物理试卷3(解析版)
题型:填空题
在图中,甲是一个金属扳手,乙是一双竹筷,
(1)作为简单机械,它们的不同之处是:
.
(2)从材料的导电性来分析,它们的不同之处是:
.

查看答案和解析>>
科目:
来源:2007-2008学年苏科版九年级(上)期末物理试卷3(解析版)
题型:填空题
随着人们生活水平的逐步提高,陕西地区的厨房灶具发生了很大的变化.在农村,沼气灶、液化石油气灶都进入平常百姓家庭;在城市,基本上都在使用天然气灶.无论是燃烧液化石油气还是天然气,都是将 能转化为内能;天然气、液化石油气与传统燃料煤相比较,在热学方面突出的优点是: ;环境保护方面突出的优点是: .
查看答案和解析>>
科目:
来源:2007-2008学年苏科版九年级(上)期末物理试卷3(解析版)
题型:填空题
安全用电与人民的生命财产息息相关.(1)据报道:近年来有许多重大火灾都是因线路连接处接触不良造成的,教训十分惨痛.当线路连接处接触不良时,该处的电阻将 ,在该处就会产生局部过热,接触处的电阻又将随着温度的升高而 ,从而形成电热的逐步积累,以致引发火灾.(以上两处均选填“增大”、“减小”或“不变”)
(2)大量事实表明,只有 的电压才是安全电压.当因出汗或其他因素导致双手潮湿时,人若接触较高的电压,发生危险的可能性变大,这是因为此时人的电阻明显 (选填“变大”或“变小”).
查看答案和解析>>
科目:
来源:2007-2008学年苏科版九年级(上)期末物理试卷3(解析版)
题型:填空题
阅读下面一段文字,然后解答问题:
所谓待机能耗,是指关掉电器设备后在待机功能下仍然消耗电能,如用遥控器关闭电视机或空调,不工作的电视机、空调仍在耗电.普通空调的待机能耗功率为3-5瓦,空调平均待机功率为3.47瓦,按一台空调一年使用两个月计算,年关机时间长达7300小时,绝大部分用户在关机时依旧连通电源,处于待机状态,一台空调平均年待机能耗就达到 度,以全国1.3亿台的空调拥有量来计算,全国每年仅空调待机耗电就达到30亿度以上,相当于一个大型水电站的年发电量.
(1)通过计算,将文中空白补充完整;
(2)读完这段文字,在降低待机能耗方面你会有怎样的行动或对你有怎样的启示?(写出两条来)
答:① ,
② .
查看答案和解析>>
科目:
来源:2007-2008学年苏科版九年级(上)期末物理试卷3(解析版)
题型:填空题

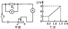
如图甲的电路中,电源电压保持不变,闭合开关后,滑片P由b端滑到a端,电压表示数与电流表示数的变化关系如图乙,则可判断电源电压是
V,定值电阻R的阻值是
Ω,定值电阻能达到的最大功率为
W.
查看答案和解析>>