相关习题
0 84498 84506 84512 84516 84522 84524 84528 84534 84536 84542 84548 84552 84554 84558 84564 84566 84572 84576 84578 84582 84584 84588 84590 84592 84593 84594 84596 84597 84598 84600 84602 84606 84608 84612 84614 84618 84624 84626 84632 84636 84638 84642 84648 84654 84656 84662 84666 84668 84674 84678 84684 84692 235360
科目:
来源:《第6章 电压 电阻》2013年单元测试卷(泰安市湖屯初中)(解析版)
题型:选择题
如果要改变某一导体的电阻,下列方法中无效的是( )
A.改变导体的长度
B.改变导体的横截面积
C.改变导体的材料
D.改变导体两端的电压
查看答案和解析>>
科目:
来源:《第6章 电压 电阻》2013年单元测试卷(泰安市湖屯初中)(解析版)
题型:选择题
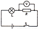
在如图所示电路中,闭合开关S后小灯泡不发光,电压表有示数,则电路发生故障的原因可能是( )

A.一定是灯L短路
B.可能是灯L断路
C.可能是灯L断路或电阻R短路
D.可能是灯L短路或电阻R断路
查看答案和解析>>
科目:
来源:《第6章 电压 电阻》2013年单元测试卷(泰安市湖屯初中)(解析版)
题型:选择题
小亮家的卫生间按图所示的电路安装了照明灯和换气扇,它们( )

A.只能各自独立工作,而不能同时工作
B.只能同时工作,而不能各自独立工作
C.工作时,两端的电压一定相等
D.工作时,通过的电流一定相等
查看答案和解析>>
科目:
来源:《第6章 电压 电阻》2013年单元测试卷(泰安市湖屯初中)(解析版)
题型:选择题
如图,L是灯泡,且两灯均正常发光,“○”?处可以连接电流表、电压表测量电路中的电流、电压,以下说法中正确的是( )

A.a为电流表,b为电压表,c为电流表?
B.a为电压表,b为电压表,c为电流表?
C.a为电流表,b为电流表,c为电压表?
D.a为电流表,b为电流表,c为电流表?
查看答案和解析>>
科目:
来源:《第6章 电压 电阻》2013年单元测试卷(泰安市湖屯初中)(解析版)
题型:选择题
在一个由电源、开关、导线和两个相同的小灯泡组成的电路中,用电压表测量时发现,两灯泡两端电压相等,则两灯泡的连接( )
A.一定是并联
B.一定是串联
C.可能是串联,也可能是并联
D.无法判定
查看答案和解析>>
科目:
来源:《第6章 电压 电阻》2013年单元测试卷(泰安市湖屯初中)(解析版)
题型:选择题
某学校保密室有两道门,只有当两道门都关上时(关上一道门相当于闭合一个开关),值班室内的指示灯才会亮,表明门都关上了.如图中符合要求的电路图是( )
A.

B.

C.

D.

查看答案和解析>>
科目:
来源:《第6章 电压 电阻》2013年单元测试卷(泰安市湖屯初中)(解析版)
题型:选择题
关于电阻的说法中正确的是( )
A.导体中通电时才有电阻,不通电时就没有电阻
B.通过导体中的电流越大,电阻就越大
C.通过导体中的电流越小,电阻就越大
D.导体的电阻是导体本身的一种性质,与是否有电流无关
查看答案和解析>>
科目:
来源:《第6章 电压 电阻》2013年单元测试卷(泰安市湖屯初中)(解析版)
题型:选择题
如图所示,为滑动变阻器的结构示意图.使滑片向左端滑动时,连入电路的阻值变小,连入电路的接线端是( )

A.A和C
B.C和D
C.A和B
D.B和D
查看答案和解析>>
科目:
来源:《第6章 电压 电阻》2013年单元测试卷(泰安市湖屯初中)(解析版)
题型:选择题
如图所示,电源电压不变,开关S闭合时,电表的示数变化情况是( )

A.电压表示数变大,电流表示数变小
B.电流表、电压表示数均变小
C.电流表、电压表示数均变大
D.电压表示数变小,电流表示数变大
查看答案和解析>>
科目:
来源:《第6章 电压 电阻》2013年单元测试卷(泰安市湖屯初中)(解析版)
题型:选择题
小宁在探究练习使用电压表时,把电压表接成了如图所示的电路.当闭合开关时所发生的现象是( )

A.灯泡亮、电压表有示数
B.灯泡亮、电压表无示数
C.灯泡不亮、电压表有示数
D.灯泡不亮、电压表无示数
查看答案和解析>>