相关习题
0 84916 84924 84930 84934 84940 84942 84946 84952 84954 84960 84966 84970 84972 84976 84982 84984 84990 84994 84996 85000 85002 85006 85008 85010 85011 85012 85014 85015 85016 85018 85020 85024 85026 85030 85032 85036 85042 85044 85050 85054 85056 85060 85066 85072 85074 85080 85084 85086 85092 85096 85102 85110 235360
科目:
来源:2011-2012学年湖北省黄冈市黄州区启黄中学八年级(上)期末物理试卷(解析版)
题型:选择题
在如图所示的电路中,用滑动变阻器调节灯的亮度,若要求滑片P向右端滑动时灯逐渐变暗,则下列接法正确的是( )

A.M接C,N接B
B.M接A,N接B
C.M接C,N接D
D.M接A,N接D
查看答案和解析>>
科目:
来源:2011-2012学年湖北省黄冈市黄州区启黄中学八年级(上)期末物理试卷(解析版)
题型:选择题
如图所示,电源电压不变,闭合开关S,电路各元件工作正常.一段时间后,若其中一只电压表示数变大,则( )

A.另一个电压表示数变小
B.其中有一盏灯亮度不变
C.灯L
2可能断路
D.灯L
2可能短路
查看答案和解析>>
科目:
来源:2011-2012学年湖北省黄冈市黄州区启黄中学八年级(上)期末物理试卷(解析版)
题型:选择题

高速公路收费站于开始对过往的超载货车实施计重收费,某同学结合所学物理知识设计了如图所示的计重秤原理图,以下说法正确的是( )
A.称重表相当于一个电压表
B.电路中的R
1是没有作用的
C.当车辆越重时,称重表的示数越小
D.当车辆越重时,称重表的示数越大
查看答案和解析>>
科目:
来源:2011-2012学年湖北省黄冈市黄州区启黄中学八年级(上)期末物理试卷(解析版)
题型:选择题
如图所示的电路中,电源电压恒定不变,当电键K闭合时( )

A.电压表示数变小,电流表示数变小,灯变暗
B.电压表示数变大,电流表示数变大,灯变亮
C.电压表示数不变,电流表示数不变,灯的亮度不变
D.电压表示数不变,电流表示数变小,灯变暗
查看答案和解析>>
科目:
来源:2011-2012学年湖北省黄冈市黄州区启黄中学八年级(上)期末物理试卷(解析版)
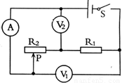
题型:选择题
如图所示的电路图中,电源电压保持不变,闭合开关S后,将滑动变阻器R
2的滑片P向左滑动,下列说法正确的是( )

A.电流表A的示数变小,电压表V
1的示数变大
B.电流表A的示数变小,电压表V
1的示数不变
C.电压表V
1与电压表V
2的示数之和不变
D.电压表V
2与电流表A的示数之比不变
查看答案和解析>>
科目:
来源:2011-2012学年湖北省黄冈市黄州区启黄中学八年级(上)期末物理试卷(解析版)
题型:解答题
物体具有 轻小物体的性质,我们就说物体带电,或者说带电荷.生活中有很多这样的实例,台式电脑使用一段时间后,为保证电脑的稳定性,需要打开主机箱盖除尘,这是因为散热风扇的扇叶在转动过程中与空气摩擦带上了 ,可以 轻小物体,所以灰尘会附着在扇叶上.自然界中存在两种电荷, 电荷和 电荷.电荷间相互作用,其规律是:同种电荷相互 ;异种电荷相互 .
查看答案和解析>>
科目:
来源:2011-2012学年湖北省黄冈市黄州区启黄中学八年级(上)期末物理试卷(解析版)
题型:解答题
物理学成果在军事上有广泛的应用,有一种称为石墨炸弹的武器在战时被用来破坏敌方的供电设施,这种炸弹不会造成人员伤亡,而是在空中散布大量极细的石墨丝,这些石墨丝是 (选填“导体”或“绝缘体”);飘落到供电设备上会造成 (选填“断路”或“短路”),从而使供电系统瘫痪.
查看答案和解析>>
科目:
来源:2011-2012学年湖北省黄冈市黄州区启黄中学八年级(上)期末物理试卷(解析版)
题型:解答题
如图所示电路中,当S
1、S
3断开,S
2闭合时,L
1与L
2 联;当S
2断开,S
1、S
3闭合时,L
1与L
2 联;若同时闭合S
1、S
2、S
3,则会造成电路
.

查看答案和解析>>
科目:
来源:2011-2012学年湖北省黄冈市黄州区启黄中学八年级(上)期末物理试卷(解析版)
题型:解答题
如图所示,电阻R
1,R
2的连接方式是
,电流表A
1是测量
的电流,电流表A
2是测量
的电流.闭合开关S后,电流表A
1的示数为l.2A,电流表A
2的示数是0.8A,则通过R
1的电流为
,在通电2s内,通过R
1的电荷量为
.

查看答案和解析>>
科目:
来源:2011-2012学年湖北省黄冈市黄州区启黄中学八年级(上)期末物理试卷(解析版)
题型:解答题
如图所示,电阻R
1,R
2,R
3的连接方式是
,若R
1=5Ω,R
2=10Ω,R
3=20Ω,电压表V
1的示数为6V,则电路中电流为
,电压表V
2的示数为
,电源电压为
.

查看答案和解析>>