L1.L2是两个规格不同的灯泡.当它们如图所示连接时.恰好都能正常发光.设电路两端的电压保持不变.现将变阻器的滑片P向左移动.则过程中L1和L2两灯的亮度变化情况是 A.L1亮度不变.L2变暗 B.Ll变暗.L2变亮 C.L1变亮.L2变暗 D.Ll变暗.L2亮度不变 查看更多

 

题目列表(包括答案和解析)

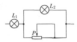
L1L2是两个规格不同的灯泡,当它们如图所示电路连接时,恰好都能正常发光。设电路两端的电压保持不变,在将变阻器的滑片P向右移动的过程中,L1L2两灯的亮度变化情况是[   ]

AL1亮度不变,L2变暗;

BL1变暗,L2变亮;

CL1变亮,L2变暗;

DL1变暗,L2亮度不变。

 

查看答案和解析>>

L1L2是两个规格不同的灯泡,当它们如图所示电路连接时,恰好都能正常发光。设电路两端的电压保持不变,在将变阻器的滑片P向右移动的过程中,L1L2两灯的亮度变化情况是[   ]

AL1亮度不变,L2变暗;

BL1变暗,L2变亮;

CL1变亮,L2变暗;

DL1变暗,L2亮度不变。

 

查看答案和解析>>

如图所示,L1、L2是两个规格不同的灯泡,当他们如图所示连接时,恰好都能正常发光.设电路端的电压保持不变,则在将滑动变阻器的滑动头向右移动的过程中,L1和L2两等的亮度变化的情况是(  )

查看答案和解析>>

如图所示,L1 、L2是两个规格不同的灯泡,当他们如图所示连接时,恰好都能正常发光。设电路两端的电压保持不变,则在将滑动变阻器的滑动头向右移动的过程中,L1和L2两等的亮度变化的情况是

  

A.L1亮度不变,L2变暗

B.L1变暗,L2变亮

C.L1变亮,L2变暗

D.L1变暗,L2亮度不变

 

查看答案和解析>>

如图所示,L1、L2是两个规格不同的灯泡,当他们如图所示连接时,恰好都能正常发光.设电路端的电压保持不变,则在将滑动变阻器的滑动头向右移动的过程中,L1和L2两等的亮度变化的情况是(  )
A.L1亮度不变,L2变暗B.L1变暗,L2变亮
C.L1变亮,L2变暗D.L1变暗,L2亮度不变
精英家教网

查看答案和解析>>


同步练习册答案