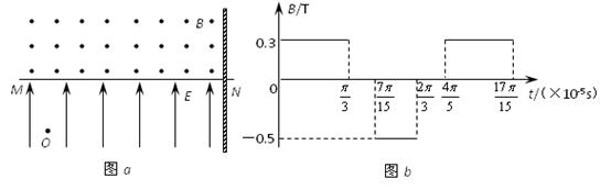
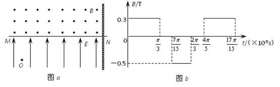
25.如图a所示.水平直线MN下方有竖直向下的匀强电场.现将一重力不计.比荷=106 C/kg的负电荷于电场中的O点由静止释放.经过×10-5后电荷以v0=1.5×104 m/s的速度通过MN进入其上方的均匀磁场.磁场与纸面垂直.磁感应强度B按图b所示规律周期性变化.图中以垂直纸面向里为正.电荷通过MN时为t=0时刻.求: (1)匀强电场的电场强度E, (2)O点与直线MN之间的距离, (3)如果在O点正右方d=6 8 cm处, 有一垂直于MN的足够大的挡板.求电荷从O点出发运动到挡板的时间. 请填写下列空白: (1)化合物H中的阳离子是 .D的化学式是 . (2)A生成B的离子方程式是 . (3)向H的溶液中加入Na2O2后发生的现象是 . (4)I→J反应的化学方程式是 .由H→J反应过程中发生的现象是 . 查看更多

 

题目列表(包括答案和解析)

如图a所示,水平直线MN下方有竖直向下的匀强电场,现将一重力不计、比荷
q
m
=106C/kg的负电荷于电场中的.点由静止释放,经过
π
15
×10-5s后电荷以v0=1.5X    104m/sS的速度通过MN进人其上方的均匀磁场,磁场与纸面垂直,磁感应强度B按图b所示规律周期性变化.图中以垂直纸面向里为正,电荷通过MN时为t=0时刻.求:
(1)匀强电场的电场强度E及O点与直线MN之间的距离;
(2)如果在O点正右方d=68cm处有一垂直于MN的足够大的挡板,求电荷从O点出发运动到挡板的时间.

查看答案和解析>>

如图a所示,水平直线MN下方有竖直向下的匀强电场,现将重力不计、比荷=106C/kg的负电荷于电场中的O点由静止释放,经过×105 s后电荷以v0=1.5×104 m/s的速度通过MN进人其上方的匀强磁场,磁场与纸面垂直,磁感应强度B按图b所示规律周期性变化。图中以垂直纸面向里为正,电荷通过MN时为t=0时刻.

求:(1)匀强电场的电场强度E及O点与直线MN之间的距离;

(2)如果在O点正右方d = 68cm处有一垂直于MN的足够大的挡板,求电荷从O点出发运动到挡板的时间.

查看答案和解析>>

如图a所示,水平直线MN下方有竖直向下的匀强电场,现将一重力不计、比荷=106C/kg的正电荷于电场中的O点由静止释放,经过×10-5 s时间以后电荷以v0=1.5×104 m/s的速度通过MN进入其上方的均匀磁场,磁场与纸面垂直,磁感应强度B按图b所示规律周期性变化(图b中磁场以垂直纸面向外为正,以电荷第一次通过MN时为t=0时刻)。求:

1.匀强电场的电场强度E

2.图bt×10-5 s时刻电荷与O点的水平距离;

3.如果在O点正右方d = 68cm处有一垂直于MN的足够大的挡板,求电荷从O点出发运动到挡板的时间。

 

查看答案和解析>>

如图a所示,水平直线MN下方有竖直向下的匀强电场,现将一重力不计、比荷=106C/kg的正电荷于电场中的O点由静止释放,经过×10-5 s时间以后电荷以v0=1.5×104 m/s的速度通过MN进入其上方的均匀磁场,磁场与纸面垂直,磁感应强度B按图b所示规律周期性变化(图b中磁场以垂直纸面向外为正,以电荷第一次通过MN时为t=0时刻)。求:

【小题1】匀强电场的电场强度E
【小题2】图bt×10-5 s时刻电荷与O点的水平距离;
【小题3】如果在O点正右方d = 68cm处有一垂直于MN的足够大的挡板,求电荷从O点出发运动到挡板的时间。

查看答案和解析>>

如图a所示,水平直线MN下方有竖直向下的匀强电场,现将一重力不计、比荷=106C/kg的正电荷于电场中的O点由静止释放,经过×10-5 s时间以后电荷以v0=1.5×104 m/s的速度通过MN进入其上方的均匀磁场,磁场与纸面垂直,磁感应强度B按图b所示规律周期性变化(图b中磁场以垂直纸面向外为正,以电荷第一次通过MN时为t=0时刻)。求:

1.匀强电场的电场强度E

2.图bt×10-5 s时刻电荷与O点的水平距离;

3.如果在O点正右方d = 68cm处有一垂直于MN的足够大的挡板,求电荷从O点出发运动到挡板的时间。

 

查看答案和解析>>


同步练习册答案