如图所示电路与一绝热汽缸相连.R为电热丝.汽缸内封闭着一定质量的理想气体.外界大气压强恒定.闭合电键后.绝热活塞K缓慢且无摩擦地向右移动.则下列说法正确的是 A.气体的内能增大 B.气体分子平均动能不变 C.电热丝放出的热量等于气体对外所做的功 D.单位时间内碰撞到器壁单位面积上的分子数减少 查看更多

 

题目列表(包括答案和解析)

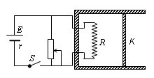
如图所示电路与一绝热汽缸相连,R为电热丝,汽缸内封闭着一定质量的理想气体,外界大气压强恒定,闭合电键后,绝热活塞K缓慢且无摩擦地向右移动,则下列说法正确的是
A.气体的内能增大
B.气体分子平均动能不变
C.电热丝放出的热量等于气体对外所做的功
D.单位时间内碰撞到器壁单位面积上的分子数减少

查看答案和解析>>

如图所示电路与一绝热汽缸相连,R为电热丝,汽缸内封闭着一定质量的理想气体,外界大气压强恒定,闭合电键后,绝热活塞K缓慢且无摩擦地向右移动,则下列说法正确的是

A.气体的内能增大

B.气体分子平均动能不变

C.电热丝放出的热量等于气体对外所做的功

D.单位时间内碰撞到器壁单位面积上的分子数减少

查看答案和解析>>

如图所示电路与一绝热汽缸相连,R为电热丝,汽缸内封闭着一定质量的理想气体,外界大气压强恒定,闭合电键后,绝热活塞K缓慢且无摩擦地向右移动,则下列说法正确的是

A.气体的内能增大
B.气体分子平均动能不变
C.电热丝放出的热量等于气体对外所做的功
D.单位时间内碰撞到器壁单位面积上的分子数减少

查看答案和解析>>

如图所示,电路与一绝热汽缸相连,R为电热丝,汽缸内封闭着一定质量的气体,不考虑分子间的相互作用力,外界大气压强恒定,闭合电键后,绝热活塞K缓慢且无摩擦地向右移动,则下列说法正确的是


  1. A.
    气体的内能增大
  2. B.
    气体分子平均动能不变
  3. C.
    电热丝放出的热量等于气体对外所做的功
  4. D.
    单位时间内碰撞到器壁单位面积上的分子数减少

查看答案和解析>>

如图所示,电路与一绝热汽缸相连,R为电热丝,汽缸内封闭着一定质量的理想气体,外界大气压强恒定,闭合电键后,绝热活塞K缓慢且无摩擦地向右移动,则下列说法正确的是

A.气体的内能增大

B.气体分子平均动能不变

C.电热丝放出的热量等于气体对外所做的功

D.单位时间内碰撞到器壁单位面积上的分子数减少

 

查看答案和解析>>


同步练习册答案