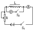
36.测定自感系数很大的线圈L的直流电阻的电路如右图所 示.电压表与线图并联.用来测自感线圈的直流电压. 在测定完毕后.将电路拆除时应 A.先断开S1 B.先断开S2 C.先拆除电流表 D.先拆除电阻R 第Ⅱ卷 查看更多

 

题目列表(包括答案和解析)

下图是测定自感系数很大的线圈L的直流电阻的电路,L两端并联一只电压表,用来测量自感线圈的直流电压,在测量完毕后,将电路拆卸时最合理的做法是

[  ]

A.先断开
B.先断开
C.先拆除电流表
D.先拆除电源

查看答案和解析>>

如图所示是测定自感系数很大的线圈L的直流电阻的电路,L两端并联一只电压表,用来测量自感线圈的直流电压,在测量完毕后,拆解电路时应

   

A.先断开S1              B.先断开S2

C.先拆除电流表       D.先拆除电压表

查看答案和解析>>

如图所示是测定自感系数很大的线圈L的直流电阻的电路,L两端并联一只电压表,用来测自感线圈的直流电压,在测量完毕后,将电路解体时应先

A.断开S1B.断开S2
C.拆除电流表D.拆除电阻R

查看答案和解析>>

如图所示是测定自感系数很大的线圈L的直流电阻的电路,L两端并联一只电压表,用来测自感线圈的直流电压,在测量完毕后,将电路解体时应先

A.断开S1                               B.断开S2

C.拆除电流表                           D.拆除电阻R

 

查看答案和解析>>

如图所示是测定自感系数很大的线圈L的直流电阻的电路,L两端并联一只电压表,用来测自感线圈的直流电压,在测量完毕后,将电路解体时应先
A.断开S1B.断开S2
C.拆除电流表D.拆除电阻R

查看答案和解析>>


同步练习册答案