10.分别读出图15中电流表.电压表的示数,I= 0.5 A,U = 7.5 V. 查看更多

 

题目列表(包括答案和解析)

在用电压表和电流表测电阻的实验中,用滑动变阻器改变被测电阻两端的电压,读取几组电压值和电流值,算出电阻,最后求出电阻的平均值.若被测电阻的阻值约为30 Ω,备有:

电流表1个,0~0.6 A、0~3 A两个量程,

电压表1个,0~3 V、0~15 V两个量程,

电源四种,电压分别为1.5 V、3 V、6 V、15 V,导线若干.

(1)画出实验电路图.

(2)为了组成实验电路,还需要的器材是________.

(3)为了减小电表读数时的误差,要求在几次测量中,电表指针的示值大于量程的2/3.则电源应选用________V,电压表应选用________档量程,电流表应选用________档量程.

查看答案和解析>>

在探究“电流跟电压、电阻关系”的过程中,某同学按图所示的电路图连接实物后,该同学做如下步骤:
步骤1:保持定值电阻R的阻值不变,闭合开关S后,使R两端的电压成倍数变化,如2V、4V、6V,分别读出并记录对应于不同电压下的电流表示数,比较每次电流表的示数是否成整数倍的变化.
步骤2:保持每次定值电阻两端电压保持不变,换用不同的定值电阻,使电阻成整数倍的变化,如5Ω、10Ω、15Ω,分别读出并记录对应于不同阻值的电流表的示数,比较每次的电阻值与电流值的乘积是否相等.
(1)“步骤1”的设计目的是为了探究
电流与电压的关系
电流与电压的关系

(2)当某同学在按“步骤2”做时,选一个“5Ω”的电阻,测得电流表示数为0.2A,当换“10Ω”来做时,发现电流表的示数不是0.1A,(不考虑温度对电阻的影响),你认为电流表的读数将会是
大于
大于
(填“大于”、“小于”)0.1A,滑片应该向
移动(选填“左”、“右”),此时,手和眼睛的分工是
手移滑片,眼看电压表
手移滑片,眼看电压表

(3)如果在闭合开关S后,该同学发现电压表的示数等于电源电压值,造成此现象的可能原因是:
滑动变阻器的滑片滑到最左端了(滑动变阻器短路,或滑动变阻器接入了上面两个接线柱)
滑动变阻器的滑片滑到最左端了(滑动变阻器短路,或滑动变阻器接入了上面两个接线柱)

查看答案和解析>>

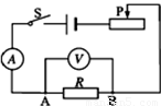
在探究“电压一定时,电流与电阻关系”的实验中,电路如图所示。先在 A、B间接入5Ω的定值电阻R,移动滑片P,使电压表示数为2V,读出电流表示数。接着取下5Ω的电阻分别换上10Ω、15Ω的定值电阻,移动滑片,使电压表示数仍为2V。但小华在实验中,当换上15Ω的定值电阻时,无任怎样移动滑片,电压表示数都不能回到2V。对此现象,下列分析正确的是(   )

A.15Ω电阻太小,换一个更大的定值电阻,继续实验
B.将三个电阻按15Ω、10Ω、5Ω的由大到小的顺序接入进行实验,可以避免这种现象
C.将变阻器的最大阻值太大,换一个最大阻值小一点的变阻器继续实验
D.在第一次接入5Ω的定电阻时,移动滑片,使电压表示数为定值1.5V,继续实验

查看答案和解析>>

在探究“电压一定时,电流与电阻关系”的实验中,电路如图所示。先在 A、B间接入5Ω的定值电阻R,移动滑片P,使电压表示数为2V,读出电流表示数。接着取下5Ω的电阻分别换上10Ω、15Ω的定值电阻,移动滑片,使电压表示数仍为2V。但小华在实验中,当换上15Ω的定值电阻时,无任怎样移动滑片,电压表示数都不能回到2V。对此现象,下列分析正确的是(   )

A.15Ω电阻太小,换一个更大的定值电阻,继续实验

B.将三个电阻按15Ω、10Ω、5Ω的由大到小的顺序接入进行实验,可以避免这种现象

C.将变阻器的最大阻值太大,换一个最大阻值小一点的变阻器继续实验

D.在第一次接入5Ω的定电阻时,移动滑片,使电压表示数为定值1.5V,继续实验

 

查看答案和解析>>

在探究“电压一定时,电流与电阻关系”的实验中,电路如图所示。先在 A、B间接入5Ω的定值电阻R,移动滑片P,使电压表示数为2V,读出电流表示数。接着取下5Ω的电阻分别换上10Ω、15Ω的定值电阻,移动滑片,使电压表示数仍为2V。但小华在实验中,当换上15Ω的定值电阻时,无任怎样移动滑片,电压表示数都不能回到2V。对此现象,下列分析正确的是(  )

A.15Ω电阻太小,换一个更大的定值电阻,继续实验
B.将三个电阻按15Ω、10Ω、5Ω的由大到小的顺序接入进行实验,可以避免这种现象
C.变阻器的最大阻值太大,换一个最大阻值小一点的变阻器继续实验
D.在第一次接入5Ω的定电阻时,移动滑片,使电压表示数为定值1.5V,继续实验

查看答案和解析>>


同步练习册答案