8.如图6所示.R1=2Ω.R2=10Ω.R3=10Ω.A.B两端接在电压恒定的电源上.则 ( ) A.S断开时.R1与R2的功率之比为1∶5 B.S闭合时通过R1与R2的电流之比为2∶1 C.S断开与闭合两情况下.电阻R1两端的电压之比为2∶1 D.S断开与闭合两情况下.电阻R2的功率之比为7∶12 查看更多

 

题目列表(包括答案和解析)

如图所示电路中,电源电动势E=10 V,内电阻不计,电阻R1=14Ω,R2=6.0 Ω,R3=2.0 Ω,R4=8.0 Ω,R5=10 Ω,电容器的电容C=2.0μF.求:

1.电容器所带的电量?说明电容器哪个极板带正电?

2.若R1突然断路,将有多少电荷通过R5?

 

查看答案和解析>>

如图所示电路中,电源电动势E=10 V,内电阻不计,电阻R1=14 Ω,R2=6.0 Ω,R3=2.0 Ω,R4=8.0 Ω,R5=10 Ω,电容器的电容C=2.0 μF.求:

【小题1】电容器所带的电量?说明电容器哪个极板带正电?
【小题2】若R1突然断路,将有多少电荷通过R5?

查看答案和解析>>

如图所示电路中,电源电动势E=10 V,内电阻不计,电阻R1=14 Ω,R2=6.0 Ω,R3=2.0 Ω,R4=8.0 Ω,R5=10 Ω,电容器的电容C=2.0 μF.求:

1.电容器所带的电量?说明电容器哪个极板带正电?

2.若R1突然断路,将有多少电荷通过R5?

 

查看答案和解析>>

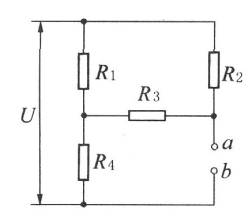
如图所示电路中,R110ΩR2R3R4U2.4V。在ab间接一只理想电压表,它的示数是________;如在ab间接一只理想电流表,它的示数是_______

 

查看答案和解析>>

如图所示电路中,R110ΩR2R3R4U2.4V。在ab间接一只理想电压表,它的示数是________;如在ab间接一只理想电流表,它的示数是_______

 

查看答案和解析>>


同步练习册答案