16.如图所示的电路中.当S闭合时.电压表和电流表示数各为1.6V.0.4A,当S断开时.它们的示数各改变0.1A和0.1V.求电源的电动势和内阻分别是多少? 查看更多

 

题目列表(包括答案和解析)

如图所示的电路中,当S闭合时,电压表和电流表(均为理想电表)的示数各为1.6 V和0.4 A。当S断开时,它们的示数各改变0.1 V和0.1 A,求电源的电动势和内电阻。

查看答案和解析>>

如图所示的电路中,当S闭合时,电压表和电流表(均为理想电表)的示数各为1.6V和0.4A;当S断开时,它们的示数各改变0.1V和0.1A,求电源的电动势和内阻.

查看答案和解析>>

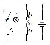
如图所示的电路中,当开关S、S均断开和均闭合时,灯泡L都同样正常发光.定出以下两种情况下流经灯泡的电流方向,即S、S2均开启时        ;S、S均闭合时     .

(填“a→b”或“b→a”)

 

 

查看答案和解析>>

如图所示的电路中,当开关S、S均断开和均闭合时,灯泡L都同样正常发光.定出以下两种情况下流经灯泡的电流方向,即S、S2均开启时             ;S、S均闭合时           .
(填“a→b”或“b→a”)

查看答案和解析>>

如图所示的电路中,当开关S、S均断开和均闭合时,灯泡L都同样正常发光.定出以下两种情况下流经灯泡的电流方向,即S、S2均开启时        ;S、S均闭合时     .

(填“a→b”或“b→a”)

 

 

查看答案和解析>>


同步练习册答案