一小型发电机.输出的功率为440W.输出电压为550V.今经一变压器使其电压降为110伏特.以便一般家庭电器使用.已知此变压器的原线圈为1000匝.求 (a) 变压器副线圈的匝数? (b) 流经变压器原线圈与副线圈的电流各为多少?(假设此变压器不损耗能量) 答案:(a)200, (b)0.8A.4A, 33. 一电灯炮接在理想的变压器上.如图.已知灯泡的电功率为20瓦特.则原线圈端的输入功率为? 40 (D)80 答案:(B),理想的变压器功率不会改变. 查看更多

 

题目列表(包括答案和解析)

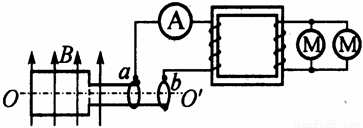
交流发电机的发电原理是矩形线圈在匀强磁场中绕垂直于磁场的轴OO’匀速转动.一小型发电机的线圈共220匝,线圈面积S=0.05m2,线圈转动的频率为50Hz,线圈内阻不计,磁场的磁感应强度B=
2
π
T.为用此发电机所发出交流电带动两个标有“220V  11kW”的电机正常工作,需在发电机的输出端a、b与电机之间接一个理想变压器,电路如图.求:
(1)发电机的输出电压为多少?
(2)变压器原副线圈的匝数比为多少?
(3)与变压器原线圈串联的交流电流表的示数为多少?

查看答案和解析>>

一小型发电机通过升压、降压变压器把电能输送给某大学,已知发电机的输出功率为为50kW,输出电压为500V,升压变压器原、副线圈匝数比为1:5,两个变压器间的输电导线的总电阻为15Ω,降压变压器的输出电压为220V,变压器本身的损耗忽略不计,在输电过程中电抗造成电压的损失不计,求:

(1)升压变压器副线圈的端电压;
(2)输电线上损耗的电功率;
(3)降压变压器原、副线圈的匝数比
(4)大学全校都是安装了“220V  40W”的电灯,问此时共有多少盏电灯亮?

查看答案和解析>>

一小型发电机通过升压、降压变压器把电能输送给用户,已知发电机的输出功率为为50kW,输出电压为500V,升压变压器原、副线圈匝数比为1:5,两个变压器间的输电导线的总电阻为15Ω,降压变压器的输出电压为220V,变压器本身的损耗忽略不计,在输电过程中电抗造成电压的损失不计,求:
(1)升压变压器副线圈的端电压;
(2)输电线上损耗的电功率;
(3)降压变压器原、副线圈的匝数比.

查看答案和解析>>

如图(甲)所示,一小型发电机内的矩形线圈在匀强磁场中以恒定的角速度ω绕垂直于磁场方向的固定轴转动,线圈匝数n=100匝.穿过每匝线圈的磁通量Φ随时间按正弦规律变化,如图(乙)所示,已知感应电动势的最大值Em=nωφm,其中φm为穿过每匝线圈磁通量的最大值,π=3.14,

(1)求该发电机的感应电动势的最大值Em
(2)请写出感应电动势e的瞬时表达式;
(3)将该发电机的输出端接到如图(丙)所示的电路A、B端,已知发电机线圈内阻为r=10Ω,图(丙)中的D为理想二极管(正向电阻为零,反向电阻无穷大),R=90Ω,求交流电流表的读数I.

查看答案和解析>>

交流发电机的发电原理是矩形线圈在匀强磁场中绕垂直于磁场的轴匀速转动,一小型发电机的线圈共220匝,线圈面积S=0.05m2,线圈转动的频率为50Hz,线圈内阻不计,磁场的磁感应强度B=T。现用此发电机所发出交流电带动两个标有 “220V、11kW”的电机正常工作,需在发电机的输出端a、b与电机之间接一个理想变压器,电路如图 所示。求:

(1)发电机的输出电压为多少?

(2)变压器原副线圈的匝数比为多少?

(3)与变压器原线圈串联的交流电流表的示数为多少?

 

查看答案和解析>>


同步练习册答案