6.如图6所示.相距为d的水平金属板M.N的左侧 有一对竖直金属板P.Q.板P上的小孔S正对板Q 上的小孔O.M.N间有垂直于纸面向里的匀强磁场. 在小孔S处有一带负电粒子.其重力和初速度均不 计.当滑动变阻器的滑片在AB的中点时.带负电粒 子恰能在M.N间做直线运动.当滑动变阻器的滑片 滑到A点后 ( ) A.粒子在M.N间运动过程中.动能一定不变 B.粒子在M.N间运动过程中.动能一定增大 C.粒子在M.N间运动过程中.动能一定减小 D.以上说法都不对 解析:当滑片向上滑动时.两个极板间的电压减小.粒子所受电场力减小.当滑到A 处时.偏转电场的电压为零.粒子进入此区域后做圆周运动.而加在PQ间的电压始 终没有变化.所以进入偏转磁场后动能也就不发生变化了.综上所述.A项正确. 答案:A 查看更多

 

题目列表(包括答案和解析)

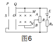
如图6所示,相距为d的水平金属板M、N的左侧有一对竖直金属板P、Q,板P上的小孔S正对板Q上的小孔O,M、N间有垂直于纸面向里的匀强磁场,在小孔S处有一带负电粒子,其重力 和初速度均不计,当滑动变阻器的滑片在AB的中点时,带负电粒子恰能在M、N间做直线运动,当滑动变阻器的滑片滑到A点后   (  )

A.粒子在PQ间运动过程中,带负电粒子电势能能一定增大

B.粒子在MN间运动过程中,带负电粒子动能一定增大

C.粒子在MN间运动过程中,带负电粒子轨迹向上极板偏转弯曲,机械能一定增大

D.粒子在MN间运动过程中,带负电粒子轨迹向下极板偏转弯曲,电势能不变

查看答案和解析>>

如图6所示,ABCD为固定的水平光滑矩形金属导轨,AB间距离为L,左右两端均接有阻值为R的电阻,处在方向竖直向下、磁感应强度大小为B的匀强磁场中,质量为m、长为L的导体棒MN放在导轨上,甲、乙两根相同的轻质弹簧一端均与MN棒中点固定连接,另一端均被固定,MN棒始终与导轨垂直并保持良好接触,导轨与MN棒的电阻均忽略不计.初始时刻,两弹簧恰好处于自然长度,MN棒具有水平向左的初速度v0,经过一段时间,MN棒第一次运动至最右端,这一过程中AB间电阻R上产生的焦耳热为Q,则(    )

图6

A.初始时刻棒受到安培力大小为

B.从初始时刻至棒第一次到达最左端的过程中,整个回路产生焦耳热为

C.当棒再次回到初始位置时,AB间电阻R的功率为

D.当棒第一次到达最右端时,甲弹簧具有的弹性势能为mv20-Q

查看答案和解析>>

如图6所示,ABCD为固定的水平光滑矩形金属导轨,AB间距离为L,左右两端均接有阻值为R的电阻,处在方向竖直向下、磁感应强度大小为B的匀强磁场中,质量为m、长为L的导体棒MN放在导轨上,甲、乙两根相同的轻质弹簧一端均与MN棒中点固定连接,另一端均被固定,MN棒始终与导轨垂直并保持良好接触,导轨与MN棒的电阻均忽略不计.初始时刻,两弹簧恰好处于自然长度,MN棒具有水平向左的初速度v0,经过一段时间,MN棒第一次运动至最右端,这一过程中AB间电阻R上产生的焦耳热为Q,则(    )

A.初始时刻棒受到安培力大小为

B.从初始时刻至棒第一次到达最左端的过程中,整个回路产生焦耳热为

C.当棒再次回到初始位置时,AB间电阻R的功率为

D.当棒第一次到达最右端时,甲弹簧具有的弹性势能为mv20-Q

 

查看答案和解析>>

如图6所示,ABCD为固定的水平光滑矩形金属导轨,AB间距离为L,左右两端均接有阻值为R的电阻,处在方向竖直向下、磁感应强度大小为B的匀强磁场中,质量为m、长为L的导体棒MN放在导轨上,甲、乙两根相同的轻质弹簧一端均与MN棒中点固定连接,另一端均被固定,MN棒始终与导轨垂直并保持良好接触,导轨与MN棒的电阻均忽略不计.初始时刻,两弹簧恰好处于自然长度,MN棒具有水平向左的初速度v0,经过一段时间,MN棒第一次运动至最右端,这一过程中AB间电阻R上产生的焦耳热为Q,则(   )

A.初始时刻棒受到安培力大小为
B.从初始时刻至棒第一次到达最左端的过程中,整个回路产生焦耳热为
C.当棒再次回到初始位置时,AB间电阻R的功率为
D.当棒第一次到达最右端时,甲弹簧具有的弹性势能为mv20-Q

查看答案和解析>>

如图6所示,ABCD为固定的水平光滑矩形金属导轨,AB间距离为L,左右两端均接有阻值为R的电阻,处在方向竖直向下、磁感应强度大小为B的匀强磁场中,质量为m、长为L的导体棒MN放在导轨上,甲、乙两根相同的轻质弹簧一端均与MN棒中点固定连接,另一端均被固定,MN棒始终与导轨垂直并保持良好接触,导轨与MN棒的电阻均忽略不计.初始时刻,两弹簧恰好处于自然长度,MN棒具有水平向左的初速度v0,经过一段时间,MN棒第一次运动至最右端,这一过程中AB间电阻R上产生的焦耳热为Q,则(   )
A.初始时刻棒受到安培力大小为
B.从初始时刻至棒第一次到达最左端的过程中,整个回路产生焦耳热为
C.当棒再次回到初始位置时,AB间电阻R的功率为
D.当棒第一次到达最右端时,甲弹簧具有的弹性势能为mv20-Q

查看答案和解析>>


同步练习册答案