18.如图6-24所示.物体M随水平传送带一起做匀速直线运动.不考虑空气阻力.则此过程中物体M( ) A.只受到重力和支持力的作用 B.受到水平向前的摩擦力作用 图6-24 C.受到向前的惯性力作用 D.所受的合力不为零 查看更多

 

题目列表(包括答案和解析)

精英家教网某兴趣小组决定对“影响滑轮组机械效率大小的因素”进行研究,对于这个问题,他们提出了以下几种猜想:
猜想l:滑轮组的机械效率可能与被提升物体的物重有关;
猜想2:滑轮组的机械效率可能与被提升物体上升的高度有关;
猜想3:滑轮组的机械效率可能与动滑轮的重有关;
小明用如图17甲所示的滑轮组进行了三次实验,实验数据如下表:
(1)小明这个实验是为了验证猜想
 

(2)分析表中数据,回答以下问题:
实验次数 物重G/N 物体上升的高度h/cm 测力计的示数F/N 测力计移动的距离s/cm
1 6 3 2.5 9
2 6 5 2.5 17
3 6 8 2.5 24
①表中有一个数据的记录是错误的,错误的数据是
 

②第3次实验中滑轮组的机械效率是
 

(3)根据小明的实验,你可以得出的结论是滑轮组的机械效率与
 

(4)小强和同学们组装了如图所示的甲、乙两个滑轮组(每只滑轮重都相同,不计摩擦和绳重),用这两个滑轮组还可以验证猜想
 
(填序号).

查看答案和解析>>

(2012?泸州)(1)在“探究影响滑轮组机械效率的因素”实验中,某同学用如图1所示的滑轮组做了多次实验,其中第4、5两次实验中只更换了动滑轮,实验数据记录如下表所示.
实验次数 钩码重
C1/N
动滑轮重
C2/N
钩码提升高度h1/m 弹簧测力计示数F/N 弹簧测力计上升高度
h2/m
滑轮组的机械效率η
1 2 0.5 0.1 0.85 0.3 78.4%
2 4 0.5 0.1 1.54 0,3 86.6%
3 6 0.5 0.1 2.24 0.3 89.3%
4 6 1 0.1 2.40 0.3 83.3%
5 6 2 0.1 2.74 0.3 73.3%
①这位同学在实验操作中,应该竖直向上
匀速
匀速
拉动弹簧测力计.
②对比分析1、2、3次实验数据,可以得到的初步结论是:使用同一滑轮组提升重物,滑轮组的机械效率随物重的增加而
增大
增大

③对比分析3、4、5次实验数据,可以得到的初步结论是:在被提升的重物一定时,所用滑轮组的动滑轮越重,滑轮组的机械效率越

(2)小华测量一个实心玻璃球的密度,所用实验器材和操作步骤是:第一步,如图2甲所示,先将两个完全相同的烧杯分别放置在已调好的天平左右两个托盘中,再将玻璃球放入左盘烧杯中,同时向右盘烧杯中倒入一定量的水,并用滴管小心增减,直至天平平衡.第二步,将右盘烧杯中的水倒入量筒中,量筒示数如图2乙所示,则水的体积为
10
10
mL.第三步,用细线拴好玻璃球,轻放入量筒中,此时玻璃球和水的总体积如图2丙所示.由实验中测得的数据,小华得出实心玻璃球的质量为
10
10
g,密度为
2.5
2.5
g/cm3

查看答案和解析>>

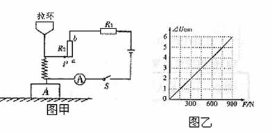
某班科技小组的同学设计了一种简易的电子拉力计,图甲是其原理图.放在水平地面上的物体A通过硬质弹簧与拉环相连。弹簧上端和金属滑片P固定在一起(弹簧的电阻不计,PR2接触良好且不计摩擦).已知物体A的质量为100kg,定值电阻R1 =" 6" ?,R2是一根长为6cm的均匀电阻线(阻值与其长度成正比),其最大阻值为24?,电源电压为6V,电流表的量程为0~0.6A.当不拉拉环是时,金属滑片P刚好处于a端.已知该弹簧伸长的长度△l与所受竖直向上的拉力F间的关系如图14乙所示,问:

(1)要把电流表的表盘改为拉力计的表盘,则拉力计表盘的零刻度应标在电流表表盘的何处?

(2)闭合开关,当电流表示数为0.6A时,R2接入电路中的电阻为多少?

(3)在保证电路安全的条件下,物块A对地面的压力范围是多少?

 

查看答案和解析>>

某班科技小组的同学设计了一种简易的电子拉力计,图甲是其原理图.放在水平地面上的物体A通过硬质弹簧与拉环相连。弹簧上端和金属滑片P固定在一起(弹簧的电阻不计,PR2接触良好且不计摩擦).已知物体A的质量为100kg,定值电阻R1 =" 6" ?,R2是一根长为6cm的均匀电阻线(阻值与其长度成正比),其最大阻值为24?,电源电压为6V,电流表的量程为0~0.6A.当不拉拉环是时,金属滑片P刚好处于a端.已知该弹簧伸长的长度△l与所受竖直向上的拉力F间的关系如图14乙所示,问:

(1)要把电流表的表盘改为拉力计的表盘,则拉力计表盘的零刻度应标在电流表表盘的何处?
(2)闭合开关,当电流表示数为0.6A时,R2接入电路中的电阻为多少?
(3)在保证电路安全的条件下,物块A对地面的压力范围是多少?

查看答案和解析>>

 某班科技小组的同学设计了一种简易的电子拉力计,图14甲是其原理图.放在水平地面上的物体A通过硬质弹簧与拉环相连。弹簧上端和金属滑片P固定在一起(弹簧的电阻不计,PR2接触良好且不计摩擦).已知物体A的质量为100kg,定值电阻R1 = 6 Ω,R2 是一根长为6cm的均匀电阻线(阻值与其长度成正比),其最大阻值为24Ω,电源电压为6V,电流表的量程为0~0.6A.当不拉拉环是时,金属滑片P刚好处于a端.已知该弹簧伸长的长度△l与所受竖直向上的拉力F间的关系如图14乙所示,问:

    (1)要把电流表的表盘改为拉力计的表盘,则拉力计表盘的零刻度应标在电流表表盘的何处?

    (2)闭合开关,当电流表示数为0.6A时,R2接入电路中的电阻为多少?

    (3)在保证电路安全的条件下,物块A对地面的压力范围是多少?

                                                 

查看答案和解析>>


同步练习册答案