在图20所示电路中.电源电压6V恒定.灯Ll和L2的规格分别为“6V 1.8W 和“6V 查看更多

 

题目列表(包括答案和解析)

精英家教网在如图所示电路中,电源电压6V恒定,灯Ll和L2的规格分别为“6V 1.8W”和“6V 1.2W”,滑动变阻器R的规格为“20Ω 1A”,不计温度对灯丝电阻的影响.求:
(1)滑动变阻器的滑片放在a端时,闭合开关S1、S2、S3后,电压表和电流表的读数是多少?
(2)滑动变阻器的滑片放在b端时,闭合开关S1、S2,断开S3后,L1消耗的电功率是多少?

查看答案和解析>>

在如图所示电路中,电源电压6V恒定,灯Ll和L2的规格分别为“6V 1.8W”和“6V 1.2W”,滑动变阻器R的规格为“20Ω 1A”,不计温度对灯丝电阻的影响.求:
(1)滑动变阻器的滑片放在a端时,闭合开关S1、S2、S3后,电压表和电流表的读数是多少?
(2)滑动变阻器的滑片放在b端时,闭合开关S1、S2,断开S3后,L1消耗的电功率是多少?

查看答案和解析>>

在如图所示电路中,电源电压6V恒定,灯Ll和L2的规格分别为“6V 1.8W”和“6V 1.2W”,滑动变阻器R的规格为“20Ω 1A”,不计温度对灯丝电阻的影响.求:
(1)滑动变阻器的滑片放在a端时,闭合开关S1、S2、S3后,电压表和电流表的读数是多少?
(2)滑动变阻器的滑片放在b端时,闭合开关S1、S2,断开S3后,L1消耗的电功率是多少?

查看答案和解析>>

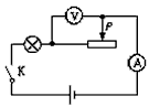
在图所示的电路中,电源电压恒定,灯的电阻为20Ω,当滑动变阻的滑片P位于中点时,伏特表的示数为2V,安培表的示数为0.2A;当滑片P位于滑动变阻器的最右端时,伏特表的示数为:
[     ]
A.3V
B.4V
C.6V
D.8V

查看答案和解析>>

在图所示的电路中,电源电压恒定,灯的电阻为20Ω,当滑动变阻的滑片P位于中点时,伏特表的示数为2V,安培表的示数为0.2A;当滑片P位于滑动变阻器的最右端时,伏特表的示数为:

A.3V ;       B.4V;        C.6V ;        D.8V.

查看答案和解析>>


同步练习册答案