300 N 400 N 版权所有:() 版权所有:() 查看更多

 

题目列表(包括答案和解析)

某同学在做引体向上时,处于如图13所示的平衡状态.已知该同学体重为60 kg,取g=9.8 m/s2,两手臂的拉力分别约为(  )

图13

A.200 N          B.300 N?         C.400 N            D.600 N?

查看答案和解析>>

有一种测量人体重的电子秤,其原理图如右图中的虚线框内所示,它主要由三部分构成:踏板、压力传感器R(是一个阻值可随压力大小而变化的电阻器)、显示体重的仪表G(实质是理想电流表).设踏板的质量可忽略不计,已知理想电流表的量程为3 A,电源电动势为12 V,内阻为2 Ω,电阻R随压力变化的函数式为 (FR的单位分别是N和Ω).下列说法正确的是(  )

①该秤能测量的最大体重是1400 N ②该秤能测量的最大体重是1 300 N ③该秤零刻度线(即踏板空载时的刻度线)应标在电流表G刻度盘0.375 A处 ④该秤零刻度线(即踏板空载时的刻度线)应标在电流表G刻度盘0.400 A处

A.①③              B.①④

C.②③           D.②④

 

查看答案和解析>>

有一种测量人体重的电子秤,其原理图如图7-2-18中的虚线所示,它主要由三部分构成:踏板、压力传感器R(是一个阻值可随压力大小而变化的电阻器)、显示体重的仪表G(实质是理想电流表).设踏板的质量可忽略不计,已知理想电流表的量程为3 A,电源电动势为12 V,内阻为2 Ω,电阻R随压力变化的函数式为R=30-0.02F(F和R的单位分别是N和Ω).下列说法正确的是(  )

 

A.该秤能测量的最大体重是1 400 N

B.该秤能测量的最大体重是1 300 N

C.该秤零刻度线(即踏板空载时的刻度线)应标在电流表G刻度盘0.375 A处

D.该秤零刻度线(即踏板空载时的刻度线)应标在电流表刻度盘0.400 A处

 

查看答案和解析>>

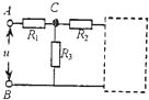
如图电路中,已知R1=100Ω,右边虚线方框内为黑盒,情况不明,今用电压表测UAC=10V,UCB=40V,则AB间的总电阻RAB是(  )

查看答案和解析>>

2013年8月24日北京夜光风筝比赛现场,某段时间内某小赛手和风筝均保持静止状态,此时风筝平面与水平面夹角为30°,风筝的质量为m=1kg,轻质细线中的张力为FT=10N,该同学的质量为M=29kg,则以下说法正确的是(风对风筝的作用力认为与风筝垂直,g取10m/s2)(  )

查看答案和解析>>


同步练习册答案