如图所示的电路.利用DIS实验的电压.电流传感器测绘小灯泡的电压一电流特性图线.从小灯泡的电压-电流特性图线中可以获得不同电压下小灯泡的电阻值.下列四个图中哪一个能反映小灯泡的U-I特性图线( ) 查看更多

 

题目列表(包括答案和解析)

某同学在利用DIS实验的电压、电流传感器,描绘小灯泡的伏安特性曲线的实验中,采用了图甲所示电路.
精英家教网
(1)图甲中E矩形框内应该接
 
,F矩形框内应该接
 
.(选填“电压传感器”、“电流传感器”或“小灯泡”)
(2)该同学利用测量的数据,画出如图乙的图线,但该同学忘记在坐标上标明横坐标和纵坐标所表示物理量.请你根据图线作出判断:横坐标表示
 
,纵坐标表示
 

查看答案和解析>>

(8分)某同学在利用DIS实验的电压、电流传感器,描绘小灯泡的伏安特性曲线的实验中,采用了图甲所示电路。

(1)图甲中E矩形框内应该接               ,F矩形框内应该接               。(选填“电压传感器”、“电流传感器”或“小灯泡”)

(2)该同学利用测量的数据,画出如图乙的图线,但该同学忘记在坐标上标明横坐标和纵坐标所表示物理量。请你根据图线作出判断:横坐标表示__________,纵坐标表示_________。

查看答案和解析>>

某同学在利用DIS实验的电压、电流传感器描绘小灯泡的伏安特性曲线,并同时测定小灯泡功率的实验中,采用了图甲所示电路.

(1)图甲中E矩形框内应该接________,F矩形框内应该接________.(选填“电压传感器”、“电流传感器”或“小灯泡”)

(2)该同学利用测量的数据,画出如图乙的图线,但该同学忘记在坐标上标明横坐标和纵坐标所表示物理量.请你根据图线作出判断:横坐标表示________,纵坐标表示________.

查看答案和解析>>

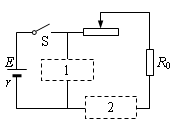
有一种供实验使用的电池,其标称电压为9V,允许电池输出的最大电流为0.5A,为了测定这个电池的电动势和内电阻,实验时利用了如图所示的电路图,其中R0为保护电阻。

1.电路图的虚线框1中应该接______传感器,开关S闭合前,要把滑动变阻器的阻值调到______(选填“最大”或“最小”)。

2.实验室里备用的定值电阻有以下几种规格:

(A)5Ω,5W       (B)18Ω,2W[来源:学§科§网Z§X§X(C)20Ω,5W       (D)100Ω,25W

实验时R0应选用上述定值电阻中的____(填字母代号)较好。

3.改变滑动变阻器的触点位置,记录几组不同的电压、电流值,利用本实验的DIS软件,点击“直线拟合”,得到如图所示的U~I图线,则电池的电动势为____V,内电阻r=____Ω。

 

查看答案和解析>>

有一种供实验使用的电池,其标称电压为9V,允许电池输出的最大电流为0.5A,为了测定这个电池的电动势和内电阻,实验时利用了如图所示的电路图,其中R0为保护电阻。

【小题1】电路图的虚线框1中应该接______传感器,开关S闭合前,要把滑动变阻器的阻值调到______(选填“最大”或“最小”)。
【小题2】实验室里备用的定值电阻有以下几种规格:

A.5Ω,5WB.18Ω,2W[来源:学§科§网Z§X§XC.20Ω,5WD.100Ω,25W
实验时R0应选用上述定值电阻中的____(填字母代号)较好。
【小题3】改变滑动变阻器的触点位置,记录几组不同的电压、电流值,利用本实验的DIS软件,点击“直线拟合”,得到如图所示的U~I图线,则电池的电动势为____V,内电阻r=____Ω。

查看答案和解析>>


同步练习册答案