15.如图所示.n=10匝的边长为10cm的正方形线圈abcd绕对称轴OO/在匀强磁场中匀速转动.已知转动角速度ω=20rad/s.磁感应强度B=10T.外电阻R=6Ω.线圈的电阻r=4Ω.图示位置线圈平面与磁感线平行.求: (1)从如图位置开始计时.写出感应电流的瞬时表达式, (2)交流电压表的示数, (3)从如图位置开始.转过90°的过程中通过线圈某横截面的电量. 查看更多

 

题目列表(包括答案和解析)

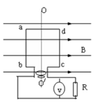
精英家教网如图所示,n=10匝的边长为10cm的正方形线圈abcd绕对称轴OO′在匀强磁场中匀速转动,已知转动角速度ω=20rad/s,磁感应强度B=10T,外电阻R=6Ω,线圈的电阻r=4Ω.图示位置线圈平面与磁感线平行.求:
(1)从如图位置开始计时,写出感应电流的瞬时表达式;
(2)交流电压表的示数;
(3)从如图位置开始,转过90°的过程中通过线圈某横截面的电量.

查看答案和解析>>

如图所示,n=10匝的边长为10cm的正方形线圈abcd绕对称轴OO/在匀强磁场中匀速转动,已知转动角速度ω=20rad/s,磁感应强度B=10T,外电阻R=6Ω,线圈的电阻r=4Ω。图示位置线圈平面与磁感线平行。求:

(1)从如图位置开始计时,写出感应电流的瞬时表达式;

(2)交流电压表的示数;

(3)从如图位置开始,转过90°的过程中通过线圈某横截面的电量。

查看答案和解析>>

如图所示,n=10匝的边长为10cm的正方形线圈abcd绕对称轴OO/在匀强磁场中匀速转动,已知转动角速度ω=20rad/s,磁感应强度B=10T,外电阻R=6Ω,线圈的电阻r=4Ω。图示位置线圈平面与磁感线平行。求:

(1)从如图位置开始计时,写出感应电流的瞬时表达式;

(2)交流电压表的示数;

(3)从如图位置开始,转过90°的过程中通过线圈某横截面的电荷量。

 

 

查看答案和解析>>

如图所示,n=10匝的边长为10cm的正方形线圈abcd绕对称轴OO/在匀强磁场中匀速转动,已知转动角速度ω=20rad/s,磁感应强度B=10T,外电阻R=6Ω,线圈的电阻r=4Ω。图示位置线圈平面与磁感线平行。求:

(1)从如图位置开始计时,写出感应电流的瞬时表达式;

(2)交流电压表的示数;

(3)从如图位置开始,转过90°的过程中通过线圈某横截面的电量。

 

查看答案和解析>>

如图所示,n=10匝的边长为10cm的正方形线圈abcd绕对称轴OO/在匀强磁场中匀速转动,已知转动角速度ω=20rad/s,磁感应强度B=10T,外电阻R=6Ω,线圈的电阻r=4Ω。图示位置线圈平面与磁感线平行。求:
(1)从如图位置开始计时,写出感应电流的瞬时表达式;
(2)交流电压表的示数;
(3)从如图位置开始,转过90°的过程中通过线圈某横截面的电量。

查看答案和解析>>


同步练习册答案