数学英语物理化学 生物地理
数学英语已回答习题未回答习题题目汇总试卷汇总练习册解析答案
题目列表(包括答案和解析)
查看答案和解析>>
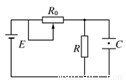
A.向上运动 B.向下运动
C.静止不动 D.不能确定运动状态的变化
A.向上运动
B.向下运动
C.静止不动
D.不能确定运动状态的变化
国际学校优选 - 练习册列表 - 试题列表
湖北省互联网违法和不良信息举报平台 | 网上有害信息举报专区 | 电信诈骗举报专区 | 涉历史虚无主义有害信息举报专区 | 涉企侵权举报专区