20如图所示的电路中.两平行金属板A.B水平放置.两板间的距离d=40cm.电源电动势E=24V.内电阻r=1Ω.电阻R=15Ω.闭合开关S.待电路稳定后.将一带正电的小球从B板小孔以初速度v0=4m/s竖直向上射入板间.若小球带电量为q=1×10-2C.质量为m=2×10-2kg.不考虑空气阻力.那么.滑动变阻器接入电路的阻值为多大时.小球恰能到达A板?此时.电源的输出功率是多大?(取g=10m/s2) 一卷选择题答案 1 2 3 4 5 6 7 8 9 10 11 12 13 14 C A D B C B BC AD A A A D AC BC 查看更多

 

题目列表(包括答案和解析)

如图所示的电路中,A、B两端的电压U恒为12V,灯L标有“6V,1.8W”的字样,R1=20Ω,电键S断开时,灯L正常发光.求:
(1)此时滑动变阻器的电阻R2
(2)当电键S闭合时,灯L的功率为多少?
(3)如果在电键S闭合后仍要使灯L正常发光,则滑动变阻器的电阻要调到多大?

查看答案和解析>>

(2011?潍坊一模)(1)兴趣小组为测一遥控电动小车的额定功率,进行了如下实验:
①用天平测出电动小车的质量为0.40kg;
②将电动小车、纸带和打点计时器按图1所示安装;
③接通打点计时器(其打点时间间隔为0.02s);
④使电动小车以额定功率加速运动,达到最大速度一段时间后关闭小车电源,待小车静止时再关闭打点计时器(设小车在整个过程中所受的阻力恒定).°
在上述过程中,打点计时器在纸带上所打的部分点迹记录了小车停止之前的运动情况,如图2所示.
请你分析纸带数据,回答下列问题:
①该电动小车运动的最大速度为
1.5
1.5
m/s;
②该电动小车关闭电源后的加速度大小为
2.0
2.0
m/s2
③该电动小车的额定功率为
1.2
1.2
W.

(2)影响物质材料电阻率的因素很多,一般金属材料的电阻率随温度的升高而增大,而半导体材料的电阻率则与之相反,随温度的升高而减少.某课题研究组需要研究某种导电材料的导电规律,他们用该种导电材料制作成电阻较小的线状元件Z做实验,测量元件Z中的电流随两端电压从零逐渐增大过程中的变化规律.
①为完成实验,请连接如图的实物.
②实验测得元件Z的电压与电流的关系如下表所示.根据表中数据,判断元件Z是金属材料还是半导体材料?答:
半导体
半导体

U/V 0 0.40 0.60 0.80 1.00 1.20 1.50 1.60
I/A 0 0.20 0.45 0.80 1.25 1.80 2.80 3.20
③把元件Z接入如图所示的电路中,当电阻R的阻值为R1=2Ω时,电流表的读数为1.25A;当电阻R的阻值为R2=3.6Ω时,电流表的读数为0.80A.结合上表数据,求出电池的电动势为
4.6
4.6
V,内阻为
1.1
1.1
Ω.(不计电流表的内阻)

(3)某同学通过实验研究小灯泡的电流与电压的关系.可用的器材如下:电源(电动势3V,内阻1Ω)、电键、滑动变阻器(最大阻值20Ω)、电压表、电流表、小灯泡、导线若干.
①实验中移动滑动变阻器滑片,得到了小灯泡的U-I图象如图a所示,则可知小灯泡的电阻随电压增大而
增大
增大
(填“增大”、“减小”或“不变”).
②根据图a,在图b中把缺少的导线补全,连接成实验的电路(其中电流表和电压表分别测量小灯泡的电流和电压).
③若某次连接时,把AB间的导线误接在AC之间,合上电键,任意移动滑片发现都不能使小灯泡完全熄灭,则此时的电路中,小灯泡可能获得的最小功率是
0.030~0.034
0.030~0.034
W.(电压表和电流表均视为理想电表)

查看答案和解析>>

(本题提供两题,可任意选做一题)
(A)将两个相同的电流计分别与电阻并联后改装成电流表A1(0~3A)和电流表A2(0~0.6A),现把这两个电流表并联接入如图所示的电路中测量电流,当可变电阻R调节为9Ω时,A2刚好满偏.问:
(l)A2满偏时,另一电流表A1的示数是多大?
(2)若可变电阻R调节为20Ω时.A1刚好半偏.已知A1、A2的内阻很小,求电源电动势和内电阻.
(B)按照经典的电子理论,电子在金属中运动的情形是这样的:在外加电场的作用下,自由电子发生定向运动,便产生了电流.电子在运动的过程中要不断地与金属离子发生碰撞,将动能交给金属离子,而自己的动能降为零,然后在电场的作用重新开始加速运动.经加速运动一段距离后,再与金属离子发生碰撞.设电子在两次碰撞走的平均距离叫自由程,用l表示;电子运动的平均速度用
.
v
表示;导体单位体积内自由电子的数量为n;电子的质量为m;电子的电荷为e,请写出电阻率ρ的表达式.

查看答案和解析>>

(2012?浦东新区三模)在如图所示的电路中,A、B、C为三节干电池,实验中理想电压表和理想电流表的读数如下表所示.
电键位 置 电压
U(V)
电流
I(A)
灯泡电阻
R(Ω)
灯泡功率
P(W)
K→1 1.40 0.20 7.00 0.28
K→2 2.70 0.30
9.00
9.00
0.81
K→3 2.55 0.29 8.79
0.74
0.74
(1)根据表中实验数据,计算出表中空格处小灯泡的电阻和功率(保留两位小数);
(2)如果干电池A和B具有相同的电动势和内阻,根据表中实验数据,可计算出干电池A的电动势为
1.5
1.5
V,内阻为
0.5
0.5
Ω;
(3)当电键K与“接线柱3”连接,串联电池组的总电动势增加,电流表的示数反而减小,究其原因可能是
干电池C的电动势较小,内阻较大,功率损耗较大
干电池C的电动势较小,内阻较大,功率损耗较大

查看答案和解析>>

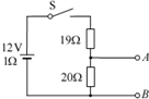
如图所示的电路中,电源的电动势为12V,内阻为1Ω,两定值电阻的阻值分别为19Ω和20Ω.开关S闭合后,电路中的电流为
0.3
0.3
A,A、B间的电压为
6
6
V.

查看答案和解析>>


同步练习册答案