B 10.B 高二文科必修一复习(二) 单选题:在每小题给出的四个选项中.只有一个选项是正确的 查看更多

 

题目列表(包括答案和解析)

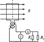
如图所示,交流发电机线圈的面积为0.05 m2,共100匝,在磁感应强度为的匀强磁场中,以10πrad/s的角速度匀速转动,电阻R1和R2的阻值均为50 Ω,线圈的内阻忽略不计,若从图示位置开始计时,则

[  ]

A.线圈中的电动势为e=50sin 10πtV

B.电压表的示数为

C.电流表的示数为

D.R1上消耗的电功率为50 W

查看答案和解析>>

节日采灯是由若干只小灯泡串联接到照明电路上的,现有下列四组灯泡供选用,较为合适的是

A.

10只“12 V 10 W”

B.

10只“220 V 15 W”

C.

15只“15 V 3 W

D.

30只“9 V 2 W”

查看答案和解析>>

把物体以一定速度水平抛出,不计空气阻力,g=10m/s2,那么在落地前的任一秒内(  )

查看答案和解析>>

将带电量为6×10-6C的负电荷从电场中A点移到B点,克服电场力做3×10-5J的功,再将电荷从B点移到C点,电场力做了1.2×10-5J的功,则关于A、B、C三点的电势φA、φB、φc,以下关系正确的是(  )

查看答案和解析>>

(2011?双流县模拟)我国“嫦娥二号“探月卫星于2010年10月成功发射.在“嫦娥二号”卫星奔月过程中,在月球上空有一次变轨过程,是由椭圆轨道A变为近月圆形轨道B,A、B.两轨道相切于P点,如图所示.探月卫星先后沿A、B轨道运动经过P点时,下列说法正确的是(  )

查看答案和解析>>


同步练习册答案