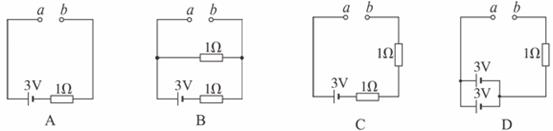
一盒子上有两个接线柱a和b.与盒内电路相连.把理想电压表接在两接线柱之间.其读数为3V.把理想电流表接在两接线柱之间.其读数为3A.则在下列几个图中为盒内电路的是 查看更多

 

题目列表(包括答案和解析)

一盒子上有两个接线柱a和b,与盒内电路相连.把电压表(内阻很大)接在两接线柱之间,其读数是3 V;把电流表(内阻可忽略)接在两接线柱之间,其读数是3 A.则下列图14-19所示的4个电路中(电源内阻不计)可能为盒内电路的是(    )

图14-19

查看答案和解析>>

“黑盒子”表面有a、b、c三个接线柱,盒内总共有两个电子元件,每两个接线柱之间只可能连接一个元件.为了探明盒内元件的种类及连接方式,某位同学用多用电表进行了如下探测:
第一步:用电压挡,对任意两接线柱正、反向测量,指针不发生偏转
第二步:用电阻×1000挡,对任意两个接线柱正、反向测量,指针偏转情况如图1所示.精英家教网
(1)第一步测量结果表明盒内
 

(2)图2示出了图1〔1〕和图1〔2〕中欧姆表指针所处的位置,其对应的阻值是
 
Ω,图3示出了图1〔3〕中欧姆表指针所处的位置,其对应的阻值是
 
Ω.
(3)请在图4的接线柱间,用电路图符号画出盒内的元件及连接情况.
(4)一个小灯泡与3V电池组的连接情况如图5所示.如果把图5中e、f两端用导线直接相连,小灯泡仍可正常发光.欲将e、f两端分别与黑盒子上的两个接线柱相连,使小灯泡仍可发光.那么,e端应连接到
 
接线柱,f端应连接到
 
接线柱.
精英家教网

查看答案和解析>>

“黑盒子”表面有a、b、c三个接线柱,盒内总共有两个电学元件,每两个接线柱之间只可能连接一个元件.为了探明盒内元件的种类及连接方式,某位同学用多用电表进行了如下探测:

第一步:用电压挡,对任意两接线柱正、反向测量,指针均不发生偏转;

第二步:用电阻×100 Ω挡,对任意两个接线柱正、反向测量,指针偏转情况如图所示.

(1)第一步测量结果表明盒内___________.

(2)图甲表示出了图[1]和图[2]中欧姆表指针所处的位置,其对应的阻值是___________Ω;图乙表示出了图[3]中欧姆表指针所处的位置,其对应的阻值是___________Ω.

(3)请在图甲的接线柱间,用电路图符号画出盒内的元件及连接情况.

(4)一个小灯泡与3 V电池组的连接情况如图乙所示.如果把图乙中e、f两端用导线直接相连,小灯泡可正常发光.欲将e、f两端分别与黑盒子上的两个接线柱相连,使小灯泡仍可发光.那么,e端应连接到___________接线柱,f端应连接到___________接线柱.

查看答案和解析>>

“黑盒子”表面有a、b、c三个接线柱,盒内总共有两个电学元件,每两个接线柱之间只可能连接一个元件.为了探明盒内元件的种类及连接方式,某位同学用多用电表进行了如下探测:

第一步:用电压挡,对任意两接线柱正、反向测量,指针均不发生偏转;

第二步:用电阻×100 Ω挡,对任意两个接线柱正、反向测量,指针偏转情况如图16-15-2所示.

(1)第一步测量结果表明盒内___________________________________________________.

(2)图16-15-3示出了图16-15-2[1]和图16-15-2[2]中欧姆表指针所处的位置,其对应的阻值是_________Ω;图16-15-4示出了图16-15-2[3]中欧姆表指针所处的位置,其对应的阻值是_________Ω.

图16-15-2

图16-15-3

图16-15-4

(3)请在图16-15-5的接线柱间,用电路图符号画出盒内的元件及连接情况.

图16-15-5

(4)一个小灯泡与3 V电池组的连接情况如图16-15-6所示.如果把图16-15-6中e、f两端用导线直接相连,小灯泡可正常发光.欲将e、f两端分别与黑盒子上的两个接线柱相连,使小灯泡仍可发光,那么,e端应该连接到__________接线柱,f端应连接到__________接线柱.

图16-15-6

查看答案和解析>>

“黑盒子”表面有a、b、c三个接线柱,盒内总共有两个电子元件,每两个接线柱之间只可能连接一个元件.为了探明盒内元件的种类及连接方式,某位同学用多用电表进行了如下探测:
第一步:用电压挡,对任意两接线柱正、反向测量,指针不发生偏转
第二步:用电阻×1000挡,对任意两个接线柱正、反向测量,指针偏转情况如图1所示.
精英家教网

(1)第一步测量结果表明盒内______.
(2)图2示出了图1〔1〕和图1〔2〕中欧姆表指针所处的位置,其对应的阻值是______Ω,图3示出了图1〔3〕中欧姆表指针所处的位置,其对应的阻值是______Ω.
(3)请在图4的接线柱间,用电路图符号画出盒内的元件及连接情况.
(4)一个小灯泡与3V电池组的连接情况如图5所示.如果把图5中e、f两端用导线直接相连,小灯泡仍可正常发光.欲将e、f两端分别与黑盒子上的两个接线柱相连,使小灯泡仍可发光.那么,e端应连接到______接线柱,f端应连接到______接线柱.

精英家教网

查看答案和解析>>


同步练习册答案