5.如图所示电路中.一内阻未知的电源总电压为U.A.B是额定功率为P的两个灯泡.且RA=4RB.两个灯泡均正常发光.由上述条件可求得( ) A.A灯的额定电压 B.B灯的额定电流 C.电源的输出电压 D.变压器原副线圈的匝数比 查看更多

 

题目列表(包括答案和解析)

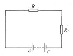
如图所示电路中,电源电动势ε6V,电源的内电阻r和定值电阻R0的阻值均未知,将一电流表并联在电阻R两端,其示数为2A。若换一电压表并联在R两端,其示数为3V,则电阻R的阻值为_______Ω(两电表的接入不影响电路)

 

查看答案和解析>>

如图所示电路中,电源电动势ε6V,电源的内电阻r和定值电阻R0的阻值均未知,将一电流表并联在电阻R两端,其示数为2A。若换一电压表并联在R两端,其示数为3V,则电阻R的阻值为_______Ω(两电表的接入不影响电路)

 

查看答案和解析>>

①有一内阻未知(约20kΩ~60kΩ)、量程(0~3V)的直流电压表.甲同学用一个多用电表测量上述电压表的内阻,如图A所示:先将选择开关拨至倍率“×1K”档,将红、黑表笔短接调零后进行测量,刻度盘指针偏转如图B所示,电压表的电阻应为
 
Ω.
这时乙同学发现电压表的读数为1.6V,认为这是此欧姆表中电池的电动势,理由是电压表内阻很大.甲同学对此表示反对,认为欧姆表内阻也很大,这不是电池的路端电压.请你判断:
 
同学的观点是正确的.

精英家教网
②某同学要测量一电动势略小于3V的直流电源的电动势和内阻,有以下器材可供选择:
A.电流表(0~0.6A~3A)            B.电压表(0~3V~15V)
C.滑动变阻器R(0~20Ω,5A)       D.滑动变阻器R′(0~200Ω,1A)
E.定值电阻R0F.电建S及导线若干
本次实验的原理图如图C所示,则滑动变阻器应选
 
(填器材前的字母代号),按照原理图连接好线路后进行测量,测出6组数据记录在下表中,记录有明显错误的是第
 
组数据
待测量 第1组 第2组 第3组 第4组 第5组 第6组
I/A 0.11 0.20 0.30 0.40 0.50 0.56
U/V 2.87 2.85 2.83 2.82 2.79 2.58
由上表可知,电压表示数变化不明显,试分析引起这种情况的原因是
 

将上述器材的连线略加改动就可解决上述问题,请你在下图D完成正确的连线.

查看答案和解析>>

精英家教网如图所示的电路中,两平行金属板A、B水平放置,极板长L=10cm,两板间的距离d=5cm.电源的电动势E=12V,内阻未知,R0=3Ω,R=8Ω.闭合开关S,电路稳定后,一带负电的粒子从B板左端且非常靠近B板的位置以初速度v0=10m/s水平向右射入,并恰好从A板右边缘飞出.已知粒子的电量q=2.0×10-8C,质量m=1.2×10-9kg(不计空气阻力和粒子重力).求:
(1)两极板间的电势差U;
(2)电源的内阻r.

查看答案和解析>>

①有一内阻未知(约20kΩ~60kΩ)、量程(0~3V)的直流电压表.甲同学用一个多用电表测量上述电压表的内阻,如图A所示:先将选择开关拨至倍率“×1K”档,将红、黑表笔短接调零后进行测量,刻度盘指针偏转如图B所示,电压表的电阻应为    Ω.
这时乙同学发现电压表的读数为1.6V,认为这是此欧姆表中电池的电动势,理由是电压表内阻很大.甲同学对此表示反对,认为欧姆表内阻也很大,这不是电池的路端电压.请你判断:    同学的观点是正确的.


②某同学要测量一电动势略小于3V的直流电源的电动势和内阻,有以下器材可供选择:
A.电流表(0~0.6A~3A)            B.电压表(0~3V~15V)
C.滑动变阻器R(0~20Ω,5A)       D.滑动变阻器R′(0~200Ω,1A)
E.定值电阻RF.电建S及导线若干
本次实验的原理图如图C所示,则滑动变阻器应选    (填器材前的字母代号),按照原理图连接好线路后进行测量,测出6组数据记录在下表中,记录有明显错误的是第    组数据
待测量第1组第2组第3组第4组第5组第6组
I/A0.110.200.300.400.500.56
U/V2.872.852.832.822.792.58
由上表可知,电压表示数变化不明显,试分析引起这种情况的原因是   
将上述器材的连线略加改动就可解决上述问题,请你在下图D完成正确的连线.

查看答案和解析>>


同步练习册答案