12.如图所示LC回路中.L=0.25H.C=4μF.充电后上板带正电. 下板带负电.闭合S时开始计时.当t=5×10-3s时.上板带 电.回路中电流方向为 . 查看更多

 

题目列表(包括答案和解析)

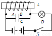
如图所示的电路中,L是自感系数很大的用铜导线绕成的线圈,其电阻可忽略不计,开关S原来是闭合的,当开关S断开的瞬间

[  ]

A.灯泡D要过一会儿才熄灭

B.L中电流方向会发生改变

C.LC回路将产生振荡,刚断开瞬间,磁场能最大

D.电容器将放电,电场能将变为磁场能

查看答案和解析>>

如图所示的电路中,L是自感系数很大的、用铜导线绕成的线圈,其电阻可以忽略不计,开关S原来是闭合的.当开关S断开瞬间,则(  )

查看答案和解析>>

如图所示的电路中,L是自感系数很大的、用铜导线绕成的线圈,其电阻可以忽略不计,开关S原来是闭合的.当开关S断开瞬间,则( )

A.L中的电流方向不变
B.灯泡D要过一会儿才熄灭
C.电容器A板带负电
D.LC电路将产生电磁振荡,刚断开瞬间,电容器中的电场能为零

查看答案和解析>>

如图所示的电路中,L是自感系数很大的、用铜导线绕成的线圈,其电阻可以忽略不计,开关S原来是闭合的.当开关S断开瞬间,则(  )
A.L中的电流方向不变
B.灯泡D要过一会儿才熄灭
C.电容器A板带负电
D.LC电路将产生电磁振荡,刚断开瞬间,电容器中的电场能为零
精英家教网

查看答案和解析>>

如图所示的电路中,L是电阻不计的电感线圈,C是电容器,闭合电键S,待电路达到稳定状态后再断开电键SLC电路中将产生电磁振荡.如果规定电感L中的电流方向从ab为正,断开电键时刻为t0,那么选项中能正确表示电感线圈中的电流i随时间t变化规律的是图

A.

B.

C.

D.

查看答案和解析>>


同步练习册答案