若正方形边长为L.电阻为R,绕中心轴以角速度ω在磁感应强度为B的匀强磁场中匀速转动.则感应电动势的最大值是 ,感应电流的有效值是 查看更多

 

题目列表(包括答案和解析)

边长为L的正方形线框abcd在磁感应强度为B的匀强磁场中绕轴OO′匀速转动.初始时刻线框平面与磁场垂直,如图所示.经过t时间,线框转过120°.求:
(1)线框转动周期和线框转过120°时感应电动势的瞬时值;
(2)线框内感应电动势在t时间内的平均值;
(3)若线框电阻为r,小灯泡电阻为R,计算小灯泡的电功率.

查看答案和解析>>

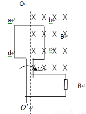
如图所示,边长为L的正方形线圈abcd 其匝数为n总电阻为r外电路的 电阻为R,ab的中点和cd的中点的连线OO′恰好位于匀强磁场的边界线上,磁场的磁感应强度为B,若线圈从图示位置开始,以角速度ω绕OO′轴匀速转动,则以下判断中正确的是(  )

查看答案和解析>>

(12分)如图所示,边长为L的正方形单匝线圈abcd,电阻r,外电路的电阻为R,a、b的中点和cd的中点的连线恰好位于匀强磁场的边界线上,磁场的磁感应强度为B,若线圈从图示位置开始,以角速度绕轴匀速转动,求:

(1).闭合电路中感应电动势的瞬时值表达式;

(2).线圈从图示位置转过180o的过程中,流过电阻R的电荷量为;

(3).线圈转动一周的过程中,电阻R上产生的热量为。

 

查看答案和解析>>

如图所示,边长为L的正方形线圈abcd,其匝数为n,总电阻为r,外电路的电阻为R,ab的中点和cd的中点的连线OO 恰好位于匀强磁场的边界线上,磁场的磁感应强度为B,若线圈从图示位置开始,以角速度绕OO’轴匀速转动,则以下判断中正确的是

A.闭合电路中感应电动势的瞬时表达式e=nBL2ωsinωt

B.在t =π/2ω时刻,磁场穿过线圈的磁通量最大,但此时磁通量的变化率为零

C.从t =0 时刻到t =π/2ω时刻,电阻R上产生的热量为Q=

 

D.从t =0 时刻到t =π/2ω时刻,通过R的电荷量q=

 

查看答案和解析>>

如图所示,边长为L的正方形线圈abcd 其匝数为n总电阻为r外电路的电阻为R,ab的中点和cd的中点的连线恰好位于匀强磁场的边界线上,磁场的磁感应强度为B,若线圈从图示位置开始,以角速度ω绕轴匀速转动,则以下判断中正确的是   (    )

A.闭合电路中感应电动势的瞬时表达式e = nBL2ωsinωt

B.在t = 时刻,磁场穿过线圈的磁通量为零,

但此时磁通量随时间变化最快

C.从t =0 时刻到t = 时刻,电阻R上产生的热量为Q =

D.从t =0 时刻到t = 时刻,通过R的电荷量q =

 

查看答案和解析>>


同步练习册答案