18.如图4所示.理想变压器的线圈匝数分别为n1=2200匝.n2=600匝.n3=3700匝.已知交流电表A2示数为0.5A.A3示数为0.8A则电流表A1的示数为 . 查看更多

 

题目列表(包括答案和解析)

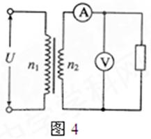
如图4所示,理想变压器的输入端电压 u =311 sin100 πt(V) ,原副线圈的匝数之比为:n 1 :n 2=10:1;若图中电流表读数为 2 A ,则

 

A.电压表读数为 220 V                B.电压表读数为 22 V

C.变压器输出功率为44 W             D.变压器输入功率为 440 W

 

查看答案和解析>>

如图4所示,理想变压器的输入端电压 u =311 sin100 πt(V) ,原副线圈的匝数之比为:n 1 :n 2=10:1;若图中电流表读数为 2 A ,则

 

A.电压表读数为 220 V                B.电压表读数为 22 V

C.变压器输出功率为44 W             D.变压器输入功率为 440 W

查看答案和解析>>

如图4所示,理想变压器的输入端电压 u =311 sin100 πt(V) ,原副线圈的匝数之比为:n 1 :n 2=10:1;若图中电流表读数为 2 A ,则

 

A.电压表读数为 220V               B.电压表读数为 22 V

C.变压器输出功率为44W             D.变压器输入功率为 440 W

 

查看答案和解析>>

如图4所示,理想变压器的输入端电压 u ="311" sin100 πt(V) ,原副线圈的匝数之比为:n 1 :n 2=10:1;若图中电流表读数为 2 A ,则
 

A.电压表读数为 220 VB.电压表读数为 22 V
C.变压器输出功率为44 WD.变压器输入功率为 440 W

查看答案和解析>>

如图4所示,理想变压器的输入端电压 u ="311" sin100 πt(V) ,原副线圈的匝数之比为:n 1 :n 2=10:1;若图中电流表读数为 2 A ,则
 
A.电压表读数为 220 VB.电压表读数为 22 V
C.变压器输出功率为44 WD.变压器输入功率为 440 W

查看答案和解析>>


同步练习册答案