如图2所示.理想变压器两个线圈都接有负载正常工作时.如下关系正确的是 [ ] A.U1:U3=n1:n3.U2:U3=n2:n3 B.I1:I2=n2:n1.I1:I3=n3:n1 图2 C.I1n1=I2n2 +I3n3 D.U1I1=U2I2+U3I3 4.LC回路发生电磁振荡时.电容器极板上的电量q 随时间t的变化图象图所示.由图象19-4可知 A.t1时刻回路中电流为0 B.t2时刻回路中电流最大 C.t1至 t2时间内.回路中电流增大 D.t2至 t3时间内.回路中电流减小 查看更多

 

题目列表(包括答案和解析)

如图2所示,理想变压器初级线圈的匝数为n1,次级线圈的匝数为n2,初级线圈两端a、b接正弦式交变电流,电压表V的示数为220V,负载电阻R=44Ω时,电流表A1的示数是0.20A.下列说法正确的是()
A.电流表A2的示数为1.0A
B.初级和次级线圈的匝数比为5∶1
C.若将另一个电阻与原负载R并联,则电流表A1的示数增大
D.若将另一个电阻与原负载R并联,则电流表A1的示数减小

查看答案和解析>>

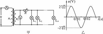
如图甲所示,理想变压器原、副线圈的匝数n1:n2=3:l,原线圈电路中接有一量程为3A的理想交流电流表,副线圈两端接有理想交流电压表一只和可变电阻R以及若干“6V、6W”的相同灯泡.输入端交变电压u的图象如图乙所示.
精英家教网
(1)求图甲中电压表的读数.
(2)要求灯泡均正常发光,求电路中最多允许接入的灯泡个数.
(3)为满足第(2)问中要求,求可变电阻R应调到的电阻值.

查看答案和解析>>

如图甲所示,理想变压器原、副线圈的匝数n1:n2=3:l,原线圈电路中接有一量程为3A的理想交流电流表,副线圈两端接有理想交流电压表一只和可变电阻R以及若干“6V、6W”的相同灯泡,原线圈输入如图乙所示的交变电压.求:
(1)图甲中电压表的示数;
(2)灯泡均正常发光时电路中最多允许接入的灯泡个数.
精英家教网

查看答案和解析>>

如图11所示,理想变压器原线圈中输入电压1=3300V,副线圈两端电压2为220V,输出端连有完全相同的两个灯泡12,绕过铁芯的导线所接的电压表V的示数=2V,求:

(1)原线圈n1等于多少匝?

(2)当开关S断开时,表A2的示数I2=5A,则表A1的示数I1为多少?

(3)当开关闭合时,表A1的示数I1′等于多少?

查看答案和解析>>

如图甲所示,理想变压器原、副线圈的匝数n1n2=3∶l,原线圈电路中接有一量程为3A的理想交流电流表,副线圈两端接有理想交流电压表一只和可变电阻R以及若干“6V、6W”的相同灯泡,原线圈输入如图乙所示的交变电压。求:

(1)图甲中电压表的示数;

(2)灯泡均正常发光时电路中最多允许接入的灯泡个数。

查看答案和解析>>


同步练习册答案