有一灯泡.额定电压是220V.这是指: A.平均值 B.有效值 C.最大值 D.瞬时值 查看更多

 

题目列表(包括答案和解析)

图中为一理想变压器,原副线圈的总匝数比为1:2,其原线圈与一电压有效值恒为220V的交流电源相连,P为滑动头.现令P从均匀密绕的副线圈最底端开始,沿副线圈缓慢匀速上滑,直至“220V60W”的白炽灯L两端的电压等于其额定电压为止.U1表示副线圈两端的总电压,U2表示灯泡两端的电压,用I1表示流过副线圈的电流,I2表示流过灯泡的电流,(这里的电流、电压均指有效值).下列4个图中,能够正确反映相应物理量的变化趋势的是

 

查看答案和解析>>

图中为一理想变压器,原副线圈的总匝数比为1:2,其原线圈与一电压有效值恒为220V的交流电源相连,P为滑动头.现令P从均匀密绕的副线圈最底端开始,沿副线圈缓慢匀速上滑,直至“220V60W”的白炽灯L两端的电压等于其额定电压为止.U1表示副线圈两端的总电压,U2表示灯泡两端的电压,用I1表示流过副线圈的电流,I2表示流过灯泡的电流,(这里的电流、电压均指有效值).下列4个图中,能够正确反映相应物理量的变化趋势的是

 

查看答案和解析>>

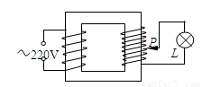
图中为一理想变压器,原副线圈的总匝数比为1:2,其原线圈与一电压有效值恒为220V的交流电源相连,P为滑动头.现令P从均匀密绕的副线圈最底端开始,沿副线圈缓慢匀速上滑,直至“220V60W”的白炽灯L两端的电压等于其额定电压为止.U1表示副线圈两端的总电压,U2表示灯泡两端的电压,用I1表示流过副线圈的电流,I2表示流过灯泡的电流,(这里的电流、电压均指有效值).下列4个图中,能够正确反映相应物理量的变化趋势的是(  )
A.
精英家教网
B.
精英家教网
C.
精英家教网
D.
精英家教网
精英家教网

查看答案和解析>>

图中为一理想变压器,原副线圈的总匝数比为1:2,其原线圈与一电压有效值恒为220V的交流电源相连,P为滑动头.现令P从均匀密绕的副线圈最底端开始,沿副线圈缓慢匀速上滑,直至“220V60W”的白炽灯L两端的电压等于其额定电压为止.U1表示副线圈两端的总电压,U2表示灯泡两端的电压,用I1表示流过副线圈的电流,I2表示流过灯泡的电流,(这里的电流、电压均指有效值).下列4个图中,能够正确反映相应物理量的变化趋势的是( )

A.
B.
C.
D.

查看答案和解析>>

图中为一理想变压器,原副线圈的总匝数比为1:2,其原线圈与一电压有效值恒为220V的交流电源相连,P为滑动头.现令P从均匀密绕的副线圈最底端开始,沿副线圈缓慢匀速上滑,直至“220V60W”的白炽灯L两端的电压等于其额定电压为止.U1表示副线圈两端的总电压,U2表示灯泡两端的电压,用I1表示流过副线圈的电流,I2表示流过灯泡的电流,(这里的电流、电压均指有效值).下列4个图中,能够正确反映相应物理量的变化趋势的是( )

A.
B.
C.
D.

查看答案和解析>>


同步练习册答案