13.电动势为3伏的电池.接在电路中输出3安的电流.由此可知该电路: A 内.外电阻相差1欧 B 内.外电阻之和为1欧 C 外电阻为1欧 D 内电阻为1欧 查看更多

 

题目列表(包括答案和解析)

在“测定金属的电阻率”实验中,所用测量仪器均已校准.待测金属丝接入电路部分的长度约为50cm.
(1)用螺旋测微器测量金属丝的直径,其中某一次测量结果如图1所示,其读数应为___________mm

(2)用伏安法测金属丝的电阻Rx.实验所用器材为:电池组(电动势为3V,内阻约1Ω)、电流表(内阻约0.1Ω)、电压表(内阻约3kΩ)、滑动变阻器R(0~20Ω,额定电流2A)、开关、导线若干.某小组同学利用以上器材正确连接好电路,进行实验测量,记录数据如下:

次数
1
2
3
4
5
6
7
U/V
0.10
0.30
0.70
1.00
1.50
1.70
2.30
I/A
0.020
0.060
0.160
0.220
0.340
0.460
0.520
由以上数据可知,他们测量Rx是采用图2中的_________图(选填“甲”或“乙”).

(3) 图3是测量Rx的实验器材实物图,图中已连接了部分导线,滑动变阻器的滑片P置于变阻器的一端。请根据图(2)所选的电路图,补充完成图3中实物间的连线,并使闭合开关的瞬间,电压表或电流表不至于被烧坏.
      
(4)这个小组的同学在坐标纸上建立U、I坐标系,如图4所示,图中已标出了测量数据对应的4个坐标点.请在图4中标出第2、4、6次测量数据坐标点,并描绘出U─I图线.由图线得到金属丝的阻值Rx=___________Ω(保留两位有效数字).
(5)根据以上数据可以估算出金属丝的电阻率约为___________(填选项前的符号).
A.1×10-2Ωm             B.1×10-3Ωm   
C.1×10-6Ωm             D.1×10-8Ωm

查看答案和解析>>

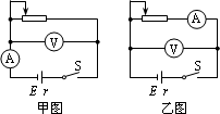
在测定一节干电池(电动势约为1.5 V,内阻约为2 Ω)的电动势和内阻的实验中,提供的器材有

A.电压表量程为3 V,内阻约为5 kΩ

B.电压表量程为15 V,内阻约为10 kΩ

C.电流表量程为0.6 A,内阻约为0.1 Ω

D.变阻器R1为(20 Ω,3 A)G.开关、导线若干

(1)为了较准确测量电池的电动势和内阻,电压表应该选________(填A或B);实验电路图应该选________图(填“甲”或“乙”).

(2)如图所示的U-I图像中,直线Ⅰ为某电源的路端电压与电流的关系,直线Ⅱ为某一电阻R的伏安特性曲线,用该电源直接与电阻R连接成闭合电路,由图像可知,R的阻值为________Ω,电源电动势为________,内阻为________Ω.

查看答案和解析>>

利用伏安法测量干电池的电动势和内阻,现有的器材为:
干电池:电动势约为1.5V,符号
电压表:量程1V,内阻1230.3Ω,符号
电流表:量程1A,符号
滑动变阻器R:最大阻值10Ω,符号
电阻箱R1:最大阻值99999.9Ω,电阻箱R2,最大阻值9999Ω符号
单刀单掷开关1个,符号,导线若干
(1)设计测量电源电动势和内阻的电路并将它画在指定的方框内,要求在图中标出电压表、电流表的接线柱的正负.
(2)为了满足本实验要求并保证实验的精确度,电压表量程应扩大为原量程的
2
2
倍,电阻箱应选用
R1
R1
(填
“R1”或“R2”),电阻箱的阻值应为
1230.3
1230.3
Ω.

查看答案和解析>>

利用伏安法测量干电池的电动势和内阻,现有的器材为:
干电池:电动势约为1.5 V,符号
电压表:量程1 V,内阻998.3 Ω,符号
电流表:量程1 A,符号
滑动变阻器:最大阻值10 Ω,符号
电阻箱:最大阻值99999.9 Ω,符号
单刀单掷开关一个,符号
导线若干
(1)设计测量电源电动势和内阻的电路并将它画在下面的方框内.要求在图中标出电压
表、电流表的接线柱的正负.

(2)为了满足本实验要求并保证实验的精确度,电压表量程应扩大为原量程的
____________倍,电阻箱阻值为____________ Ω.

查看答案和解析>>

利用伏安法测量干电池的电动势和内阻,现有的器材为:
干电池:电动势约为1.5 V,符号
电压表:量程1 V,内阻998.3 Ω,符号
电流表:量程1 A,符号
滑动变阻器:最大阻值10 Ω,符号
电阻箱:最大阻值99999.9 Ω,符号
单刀单掷开关一个,符号
导线若干
(1)设计测量电源电动势和内阻的电路并将它画在下面的方框内.要求在图中标出电压
表、电流表的接线柱的正负.

(2)为了满足本实验要求并保证实验的精确度,电压表量程应扩大为原量程的
____________倍,电阻箱阻值为____________ Ω.

查看答案和解析>>


同步练习册答案