25.如图所示.电源电动势为ε.内阻为r.电阻R.电感器L及电容器C都是理想元件.今将K接通一段时间.待电路稳定后突然将K断开.下列各说法中错误的是 [ ] 查看更多

 

题目列表(包括答案和解析)

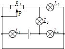
精英家教网如图所示,电源电动势为ε,内阻为r,当滑动变阻器的滑片P处于图中R的中点位置时,小灯泡L1、L2、L3、L4均正常发光.若将滑片P略向左滑动,小灯泡变亮的是(  )
A、L1B、L2C、L3D、L4

查看答案和解析>>

如图所示,电源电动势为ε,内阻为r,当滑动变阻器的滑片P处于图中R的中点位置时,小灯泡L1L2L3L4均正常发光。若将滑片P略向左滑动,小灯泡变亮的是(       )

(A)L1                                              (B)L2                                             

(C)L3                                              (D)L4

查看答案和解析>>

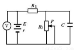
如图所示,电源电动势为E,内阻为r, R1>r, 当电路中滑动变阻器R2的滑动触头P向上滑动时,以下说法正确的是   (    )

   A.电容器C的下极板的带电量增大

   B.电压表的读数变大

   C.电源的总功率不变

   D.电源的输出功率变大

 

查看答案和解析>>

如图所示,电源电动势为E,内阻为r, R1>r, 当电路中滑动变阻器R2的滑动触头P向上滑动时,以下说法正确的是   (    )

      A.电容器C的下极板的带电量增大

      B.电压表的读数变大

      C.电源的总功率不变

      D.电源的输出功率变大

查看答案和解析>>

如图所示,电源电动势为E,内阻为r, R1>r, 当电路中滑动变阻器R2的滑动触头P向上滑动时,以下说法正确的是   (    )

    A.电容器C的下极板的带电量增大

    B.电压表的读数变大

    C.电源的总功率不变

    D.电源的输出功率变大

查看答案和解析>>


同步练习册答案