解:1.5A 9.5V 30w 16.解:1/16W 0.01W 查看更多

 

题目列表(包括答案和解析)

如图电路中的电阻均为1Ω,电源电动势3V,内阻0.5Ω,电流表、电压表均为理想表,则此时电流表、电压表的读数分别是( )

A.3A 3V

B.1.5A 1.5V

C.3A 1.5V

D.1.5A 3V

查看答案和解析>>

已知太阳能电池组的电动势约为0.8V,短路电流约为40mA,为了精确地测出它的电动势和内电阻,可供选择的仪器有:

  A.电流表:量程5.0A,内阻为0.510W

  B.电流表:量程20A,内阻为40.0 W

  C.电压表:量程5.0V,内阻为5.20 W

  D.电阻箱:电阻99.9 W,允许通过的最大电流0.15A

  E.滑动变阻器:电阻20 W,允许通过的最大电流1.5A

  F.滑动变阻器:电阻200 W,允许通过的最大电流0.5A以及开关和导线若干.

  (1)请从上述仪器中选择必要的仪器,有_________(用仪器前的字母表示)

  (2)画出电路图.

  (3)说明要测量的物理量________,并给出计算电动势和内电阻的公式________.

查看答案和解析>>

已知太阳能电池组的电动势约为0.8V,短路电流约为40mA,为了精确地测出它的电动势和内电阻,可供选择的仪器有:

  A.电流表:量程5.0A,内阻为0.510W

  B.电流表:量程20A,内阻为40.0 W

  C.电压表:量程5.0V,内阻为5.20 W

  D.电阻箱:电阻99.9 W,允许通过的最大电流0.15A

  E.滑动变阻器:电阻20 W,允许通过的最大电流1.5A

  F.滑动变阻器:电阻200 W,允许通过的最大电流0.5A以及开关和导线若干.

  (1)请从上述仪器中选择必要的仪器,有_________(用仪器前的字母表示)

  (2)画出电路图.

  (3)说明要测量的物理量________,并给出计算电动势和内电阻的公式________.

查看答案和解析>>

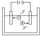
如图所示电解池内,yy'为两电极间中截面.若通电5s后共有7.5C正电荷和7.5C的负电荷通过截面yy'.则这个电路中的电流强度是

[  ]

A.0A   B.1.5A   C.3.0A   D.7.5A

查看答案和解析>>

将额定值为“3V 3W”“6V 6W”的两个电阻串联时,它的额定电压为U,并联时额定电流为I,则UI分别为 ( )

A9V1.5A        B3V2A

C6V2A         D9V2A

 

查看答案和解析>>


同步练习册答案