11.如图9所示为一种自动跳闸的闸刀开关.O是转动轴.A是绝缘手柄.C是闸刀卡口.M.N接电源线.闸刀处于垂直纸面向里.磁感应强度B=1 T的匀强磁场中.CO间距离10 cm.当磁场力为0.2 N时.闸刀开关会自动跳开.则要使闸刀开关能跳开.CO中通过的电流的大小和方向为( ) A.电流方向C→O B.电流方向O→C C.电流大小为1 A D.电流大小为0.5 A 查看更多

 

题目列表(包括答案和解析)

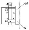
如图9所示为一种自动跳闸的闸刀开关,O是转动轴,A是绝缘手柄,C是闸刀卡口,M、N接电源线,闸刀处于垂直纸面向里、B=1 T的匀强磁场中,CO间距离为10 cm,当磁场力为0.2 N时,闸刀开关会自动跳开.则要使闸刀开关能跳开,CO中通过的电流的大小和方向为(  )

图9

A.电流方向C→O

B.电流方向O→C?

C.电流大小为2A 

D.电流大小为0.5 A

 

查看答案和解析>>


同步练习册答案