在描述小电珠的伏安特属性曲线的实验中.为了减少实验误差,电流表采用 (填“外接法 或“内接法 ).滑动变阻器以 (填“分压式 或“限流式 )方式接入电路,这样做的好处是可以使小电珠两端的电压可以从 开始调节. (1)将电路图画在下页的空白处.(2)在下页图中连接实物图.(3)建立U--I坐标系如图.根据实验情况画出图线的大致形状.并说明发生这种情况的原因. 查看更多

 

题目列表(包括答案和解析)

在描述小电珠的伏安特性曲线的实验中,为了减少实验误差,电流表采用
外接法
外接法
(填“外接法”或“内接法”).滑动变阻器以
分压
分压
(填“分压式”或“限流式”)方式接入电路,这样做的好处是可以使小电珠两端的电压可以从
开始调节.将电路图画在图中.

查看答案和解析>>

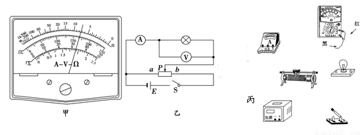
在“描绘小电珠的伏安特曲线”实验中,所用器材有:小电珠(2.5 V,0.6 W),滑动变阻器,多用电表,电流表,学生电源,开关,导线若干.

(1)粗测小电珠的电阻,应选择多用电表________倍率的电阻挡(请填写“×1”、“×10”或“×100”);调零后,将表笔分别与小电珠的两极连接,示数如图甲所示,结果为________Ω.

(2)实验中使用多用电表测量电压,请根据实验原理图乙完成实物图丙中的连线.

(3)开关闭合前,应将滑动变阻器的滑片P置于________端,为使小电珠亮度增加,P应由中点向________端滑动.(请填“a” 或“b”)

(4)下表为电压等间隔变化测得的数据,为了获得更准确的实验图象,必须在相邻数据点________间多测几组数据(请填写“ab”、“bc”、“cd”、“de”或“ef”).

数据点

a

b

c

d

e

f

U/V

0.00

0.50

1.00

1.50

2.00

2.50

I/A

0.000

0.122

0.156

0.185

0.216

0.244

 

 

查看答案和解析>>

在“描绘小电珠的伏安特曲线”实验中,所用器材有:小电珠(2.5 V,0.6 W),滑动变阻器,多用电表,电流表,学生电源,开关,导线若干.

(1)粗测小电珠的电阻,应选择多用电表________倍率的电阻挡(请填写“×1”、“×10”或“×100”);调零后,将表笔分别与小电珠的两极连接,示数如图甲所示,结果为________Ω.

(2)实验中使用多用电表测量电压,请根据实验原理图乙完成实物图丙中的连线.

(3)开关闭合前,应将滑动变阻器的滑片P置于________端,为使小电珠亮度增加,P应由中点向________端滑动.(请填“a” 或“b”)

(4)下表为电压等间隔变化测得的数据,为了获得更准确的实验图象,必须在相邻数据点________间多测几组数据(请填写“ab”、“bc”、“cd”、“de”或“ef”).

数据点

a

b

c

d

e

f

U/V

0.00

0.50

1.00

1.50

2.00

2.50

I/A

0.000

0.122

0.156

0.185

0.216

0.244

 

 

查看答案和解析>>

在“描绘小电珠的伏安特曲线”实验中,所用器材有:小电珠(2.5 V,0.6 W),滑动变阻器,多用电表,电流表,学生电源,开关,导线若干.

(1)粗测小电珠的电阻,应选择多用电表________倍率的电阻挡(请填写“×1”、“×10”或“×100”);调零后,将表笔分别与小电珠的两极连接,示数如图甲所示,结果为________Ω.

(2)实验中使用多用电表测量电压,请根据实验原理图乙完成实物图丙中的连线.

(3)开关闭合前,应将滑动变阻器的滑片P置于________端,为使小电珠亮度增加,P应由中点向________端滑动.(请填“a” 或“b”)

(4)下表为电压等间隔变化测得的数据,为了获得更准确的实验图象,必须在相邻数据点________间多测几组数据(请填写“ab”、“bc”、“cd”、“de”或“ef”).

数据点

a

b

c

d

e

f

U/V

0.00

0.50

1.00

1.50

2.00

2.50

I/A

0.000

0.122

0.156

0.185

0.216

0.244

 

 

查看答案和解析>>

在“描绘小电珠的伏安特曲线”实验中,所用器材有:小电珠(2.5 V,0.6 W),滑动变阻器,多用电表,电流表,学生电源,开关,导线若干.

(1)粗测小电珠的电阻,应选择多用电表________倍率的电阻挡(请填写“×1”、“×10”或“×100”);调零后,将表笔分别与小电珠的两极连接,示数如图甲所示,结果为________Ω.

(2)实验中使用多用电表测量电压,请根据实验原理图乙完成实物图丙中的连线.

(3)开关闭合前,应将滑动变阻器的滑片P置于________端,为使小电珠亮度增加,P应由中点向________端滑动.(请填“a” 或“b”)

(4)下表为电压等间隔变化测得的数据,为了获得更准确的实验图象,必须在相邻数据点________间多测几组数据(请填写“ab”、“bc”、“cd”、“de”或“ef”).

数据点

a

b

c

d

e

f

U/V

0.00

0.50

1.00

1.50

2.00

2.50

I/A

0.000

0.122

0.156

0.185

0.216

0.244

 

 

查看答案和解析>>


同步练习册答案