题目列表(包括答案和解析)
图为一输电系统,A地有一台升压变压器,B地有一台匝数比为10∶1的降压变压器,使120盏标有“120V,100W”的灯正常工作,A、B两地输电线的电阻是20Ω,求:(1)升压变压器输出端的电压.(2)若不用变压器,要在B地得到同样大小的电流和电功率,那么在A地要用多大的电压将电能输出?(3)两情况下输电线上损耗功率之比是多少?
图为一输电系统,A地有一台升压变压器,B地有一台匝数比为10∶1的降压变压器,使120盏标有“120V,100W”的灯正常工作,A、B两地输电线的电阻是20Ω,求:(1)升压变压器输出端的电压.(2)若不用变压器,要在B地得到同样大小的电流和电功率,那么在A地要用多大的电压将电能输出?(3)两情况下输电线上损耗功率之比是多少?
图为一输电系统,A地有一台升压变压器, B地有一台匝数比为10∶1的降压变压器,降压变压器副线圈上的电流为100A,输出功率是12kW,A、B两地输电线的电阻是20Ω,求:
(1)升压变压器输出端的电压.
(2)若不用变压器,要在B地得到同样大小的电流和电功率,那么在A地要用多大的电压将电能输出?
(3)两情况下输电线上损耗功率之比是多少?![]()
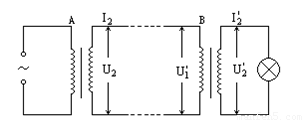
图为一输电系统,A地有一台升压变压器, B地有一台匝数比为10∶1的降压变压器,降压变压器副线圈上的电流为100A,输出功率是12kW,A、B两地输电线的电阻是20Ω,求:
(1)升压变压器输出端的电压.
(2)若不用变压器,要在B地得到同样大小的电流和电功率,那么在A地要用多大的电压将电能输出?
(3)两情况下输电线上损耗功率之比是多少?
![]()
图为一输电系统,A地有一台升压变压器,B地有一台匝数比为10∶1的降压变压器,使120盏标有“120V,100W”的灯正常工作,A、B两地输电线的电阻是20Ω,求:(1)升压变压器输出端的电压.(2)若不用变压器,要在B地得到同样大小的电流和电功率,那么在A地要用多大的电压将电能输出?(3)两情况下输电线上损耗功率之比是多少?
![]()
湖北省互联网违法和不良信息举报平台 | 网上有害信息举报专区 | 电信诈骗举报专区 | 涉历史虚无主义有害信息举报专区 | 涉企侵权举报专区
违法和不良信息举报电话:027-86699610 举报邮箱:58377363@163.com