如图所示.这是多用电表测电流时的电路图.表头与一个电阻比表头小的多的电阻R并联在一起.测量时虽然I很大.但是R很小.由分流原理可知.绝大多数的电流通过电阻R.流过表头的电流仍很小.而表头上所标注的电流值却是干路中的电流. 查看更多

 

题目列表(包括答案和解析)

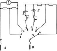
如图所示是利用光电效应现象测定金属极限频率的实验原理图,其中电源电动势为E,内阻为rR0的总电阻为4r,两块平行金属板相距为d,当N受频率为υ的紫外线照射后,将发射沿不同方向运动的光电子,形成电流,从而引起电流计的指针偏转,若闭合开关S,调节R0逐渐增大极板间电压,可以发现电流逐渐减小。当电压表示数为U时,电流恰好为零。(已知普朗克常量h、电子电荷量e、电子质量m、光速为c)则:
 
⑴金属板N的极限频率为多大?
⑵这时Rpb为多大?
⑶切断开关S,在MN间加垂直于纸面的匀强磁场,逐渐增大磁感应强度,也能使电流为零,当磁感应强度B为多大时,电流恰好为零?

查看答案和解析>>

多用电表是实验室和生产实际中常用的仪器。
(1 )如图甲是一个多用电表的内部电路图,在进行电流测量时,应将S拨到    __     __两个位置,在这两个位置中     __位置的量程大。
(2)使用多用电表进行了两次测量,指针所指的位置分别如图乙中a、b所示。若选择开关处在“×100Ω”的电阻档时指针位于a,则被测电阻的阻值是       Ω。若选择开关处在“直流电压50V”档时指针位于b,则被测电压是        V。

查看答案和解析>>

多用电表是实验室和生产实际中常用的仪器.

①如图是一个多用电表的内部电路图,在进行电流测量时,应将S拨到________________两个位置,在这两个位置中________位置的量程大.

②使用多用电表进行了两次测量,指针所指的位置分别如图中a、b所示.若选择开关处在“×100 Ω”的电阻档时指针位于a,则被测电阻的阻值是________Ω.若选择开关处在“直流电压50 V”档时指针位于b,则被测电压是________V

查看答案和解析>>

多用电表是实验室和生产实际中常用的仪器.

①如图甲是一个多用电表的内部电路图,在进行电流测量时,应将S拨到________或________两个位置,在这两个位置中________位置的量程大.

②使用多用电表进行了两次测量,指针所指的位置分别如图乙中a、b所示.若选择开关处在“×100 Ω”的电阻档时指针位于a,则被测电阻的阻值是________Ω.若选择开关处在“直流电压50 V”档时指针位于b,则被测电压是________V

查看答案和解析>>

精英家教网用多用电表的欧姆挡测量一未知电阻的阻值,若将选择开关拨至“×100Ω”的挡位测量时,指针停在刻度盘0Ω附近处,为了提高测量的精确度,有下列可供选择的步骤:
A.将两根表笔短接
B.将选择开关拨至“×1kΩ”挡C.将选择开关拨至“×10Ω”挡D.将两根表笔分别接触待测电阻的两端,记下读数
E.调节欧姆调零旋钮,使指针停在0Ω刻度线上
F.将选择开关拨至交流电压最高挡上
将上述步骤中必要的步骤选出来,这些必要步骤的合理顺序是
 
(填写步骤的代号);若操作正确,上述D步骤中,指针偏转情况如图所示,则此未知电阻的阻值是
 
Ω.

查看答案和解析>>


同步练习册答案