9.如图6所示.理想变压器原.副线圈匝数之比为20∶1.原线圈接正弦交流电.副线圈接入“220V.60W 灯泡一只.且灯泡正常发光.则 ( ) A.电流表的示数为A w w w. k#s5 B.电源输出功率为1200W C.电流表的示数为A D.原线圈端电压为11V 查看更多

 

题目列表(包括答案和解析)

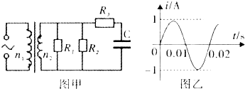
如图甲所示,理想变压器原、副线圈的匝数比为10:1,R1=20Ω,R2=30Ω,C为电容器.已知通过R1的正弦交流电如图乙所示,则(  )

查看答案和解析>>

如图甲所示,理想变压器原、副线圈的匝数比为10:1,R1=20Ω,R2=30Ω,L为无直流电阻的电感线圈.已知通过R1的正弦交流电流如图乙所示,则(  )

查看答案和解析>>

如图甲所示,理想变压器原、副线圈的匝数比为10:1,R1=20Ω,R2=30Ω,C为电容器.已知通过R1的正弦交流电如图乙所示,则?(  )

查看答案和解析>>

如图甲所示,理想变压器原、副线圈的匝数比为11:1,R1=20Ω,R2=30Ω,C为电容器.已知通过R1的正弦交流电如图乙所示,则(  )
精英家教网

查看答案和解析>>

如图甲所示,理想变压器原、副线圈 的匝数比为n1:n2=10:1,R1=20Ω,R2=30Ω,R3=30Ω,C为电容器.已知通过R1的正弦交流电电流如图乙所示,下列说法正确的是(  )精英家教网
A、交流电的频率为0.02HzB、原线圈输入电压的最大值为200VC、电阻R2的电功率约为6.67WD、通过R3的电流始终为零

查看答案和解析>>


同步练习册答案