1F= uF= pF 查看更多

 

题目列表(包括答案和解析)

电容器是一种常用的电子元件。对电容器认识正确的是

A.电容器的电容表示其储存电荷能力

B.电容器的电容与它所带的电量成正比

C.电容器的电容与它两极板间的电压成正比

D.电容的常用单位有μF和pF,1 ΜF=103 pF

 

查看答案和解析>>

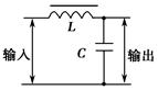
如图所示,线圈L的自感系数和电容器的电容C都很小(如L=100 μH,C=100 pF),此电路的主要作用是    (  ).

A.阻直流通交流,输出交流电
B.阻交流通直流,输出直流电
C.阻低频通高频,输出高频交流电
D.阻高频通低频,输出低频交流电和直流电

查看答案和解析>>

电容器是一种常用的电子元件,对电容器认识正确的是(  )

A.电容器的电容表示其储存电荷的能力

B.电容器的电容与它所带的电荷量成正比

C.电容器的电容与它两极板间的电压成正比

D.电容的常用单位有μF和pF,1 μF=103 pF

 

查看答案和解析>>

如图3-3-5所示,线圈的自感系数L和电容器的电容C都很小(如L=1 mH,C=200 pF),此电路的重要作用是(  )

3-3-5

A.阻直流通交流,输出?交流?

B.阻交流通直流,输出?直流?

C.阻低频通高频,输出高频?交流?

D.阻高频通低频,输出低频交流和直流

查看答案和解析>>

电容器是一种常用的电子元件。对电容器认识正确的是(     )

A.电容器的电容表示其储存电荷能力

B.电容器的电容与它所带的电量成正比

C.电容器的电容与它两极板间的电压成正比

D.电容的常用单位有μF和pF,1 μF=103 pF

 

查看答案和解析>>


同步练习册答案