9.如图所示.T为理想变压器.原线圈接在电压一定的正弦交变电源上.副线圈电路中接入三个电阻R1.R2.R3.各电表的电阻影响不计.当开关S合上时.各电表的示数变化情况是 A.A1示数变大 B.A2示数变大 C.V1示数变小 D.V2示数变大 查看更多

 

题目列表(包括答案和解析)

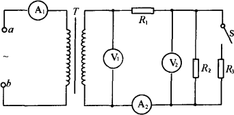
如图所示,T为理想变压器,原线圈接在电压一定的正弦交流电源上,副线圈电路中接入三个电阻R1、R2、R3,各电表的电阻影响不计.当开关S合上时,各电表的示数变化情况是

A.A1示数变大

B.A2示数变大

C.V1示数变小

D.V2示数变大

查看答案和解析>>

如图所示,T为理想变压器,A1、A2为理想交流电流表,V1、V2为理想交流电压表,R1、R2、R3为电阻,原线圈两端接电压一定的正弦交流电,当开关S闭合时,各交流电表的示数变化情况应是(  )

查看答案和解析>>

如图所示,T为理想变压器,A为理想交流电流表,V为理想交流电压表,当原线圈两端接电压U=200V的正弦交流电,且S断开时,电压表V的示数为12V,电流表A的示数为0.1A,则(  )

查看答案和解析>>

精英家教网如图所示,T为理想变压器,A1、A2为理想交流电流表,V1、V2为理想交流电压表,R1、R2为定值电阻,R3为光敏电阻(光照增强,电阻减小),原线圈两端接恒压正弦交流电源,当光照增强时(  )
A、电压表V1示数变小B、电压表V2示数变大C、电流表A1示数变大D、电流表A2示数变大

查看答案和解析>>

如图所示,T为理想变压器,为交流电流表,为定值电阻,为滑动变阻器,原线圈两端接恒压交流电源,当滑变阻器的滑动触头向下滑动时

A.的读数变大,读数变大

B.的读数变大,读数变小

C.的读数变小,??读数变大

D.的读数变小,的读数变小

查看答案和解析>>


同步练习册答案