如图所示的电路中.电源电动势ε=9 V.电阻R1=2.5 Ω.R2=3 Ω.当电阻箱Rx调到3Ω时.电流表的示数为2A.求: (1)电源的内电阻r , (2)调节电阻箱.使电流表的示数为1.8 A时.电阻R2消耗的电功率. 查看更多

 

题目列表(包括答案和解析)

如图所示的电路中,电源电动势E=9 0V,内阻r=2 0Ω,定值电阻R1=60Ω,R2=100Ω,R3=6Ω,电容器的电容C=10μF.
(1)保持开关S1、S2闭合,求电容器C所带的电荷量;
(2)保持开关S1闭合,将开关S2断开,求断开开关S2后流过电阻R2的电荷量.

查看答案和解析>>

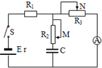
如图所示的电路中,电源电动势E=3V,内阻r=2Ω定值电阻R1=1Ω,变阻器M最大电阻R2=5Ω,变阻器N的最大电阻R3=9Ω,电容器的电容C=1μF.
(1)闭合开关S,调节变阻器M、N的阻值,电流表的最小示数为多少?
( 2 ) 闭合开关S,调节变阻器M、N的阻值,电源输出的最大功率为多少?
( 3 ) 闭合开关S,调节变阻器M、N的阻值,当电流表示数为0.3A后,再断开开关S,则流过电流表的电量为多少?

查看答案和解析>>

精英家教网如图所示的电路中,电源电动势E=6V,内电阻r=1Ω,R1=3Ω,R2=6Ω,电容器的电容C=3.6μF,二极管D具有单向导电性,开始时,开关S1闭合,S2断开,电容器两板间有一带电液滴处于静止状态,(  )
A、合上S2,待电路稳定以后,电液将向上运动B、合上S2,待电路稳定以后,电容器上电量变化量为1.8×10-6CC、合上S2,待电路稳定以后再断开S1,流过R1的电量为1.44×10-5CD、合上S2,待电路稳定以后再断开S1,流过R1的电量为9.6×10-6C

查看答案和解析>>

如图所示的电路中,电源电动势E=3V,内阻r=2Ω定值电阻R1=1Ω,变阻器M最大电阻R2=5Ω,变阻器N的最大电阻R3=9Ω,电容器的电容C=1μF.
(1)闭合开关S,调节变阻器M、N的阻值,电流表的最小示数为多少?
( 2 ) 闭合开关S,调节变阻器M、N的阻值,电源输出的最大功率为多少?
( 3 ) 闭合开关S,调节变阻器M、N的阻值,当电流表示数为0.3A后,再断开开关S,则流过电流表的电量为多少?
精英家教网

查看答案和解析>>

如图所示的电路中,电源电动势E=3V,内阻r=2Ω,定值电阻R1=1Ω,变阻器M最大电阻R2=5Ω,变阻器N的最大电阻R3=9Ω,电容器的电容C=1μF。
(1)闭合开关S,调节变阻器M、N的阻值,电流表的最小示数为多少?
(2)闭合开关S,调节变阻器M、N的阻值,电源输出的最大功率为多少?
(3)闭合开关S,调节变阻器M、N的阻值,当电流表示数为0.3A后,再断开开关S,则流过电流表的电量为多少?

查看答案和解析>>


同步练习册答案