答案:7cm 解析:本题考查了气体实验定律. (1)插入水银槽后右管内气体:P0l0=P(l0-Δh/2).P=78cmHg. (2)插入水银槽后左管压强:P′=P+ρgΔh=80cmHg.左管内外水银面高度差h1==4cm.中.左管内气体P0l=ρ′l′.l′=38cm.左管插入水银槽深度h=l+Δh/2-l′+h1=7cm. 查看更多

 

题目列表(包括答案和解析)

如图所示,在甲图中,小孩用80N的水平力推木箱,木箱不动,则木箱此时受到的摩擦力大小为________N;在乙图中,小孩用至少100N的水平力推木箱,木箱才能被推动,则木箱与地面间的最大静摩擦力大小为________N;在丙图中,小孩把木箱推动了,若此时木箱与地面间摩擦力大小为90N,木箱对地面的压力大小为200N,则木箱与地面间动摩擦因数为μ=________,若小孩用110N的力推木箱,木箱能被推动,则木箱此时受到的摩擦力大小为________N,依次填入以上空格的正确答案是(  )

查看答案和解析>>

2008年除夕夜,中国国家足球队客场挑战伊拉克队.第71分钟,由山东鲁能球员郑智头球扳平比分.郑智跃起顶球时,使球以E1=24J的初动能水平飞出,球落地时的动能E2=32J,不计空气阻力.则球落地时的速度与水平方向的夹角不正确的答案是(  )

查看答案和解析>>

用自然长度是AO的弹簧组成的如图所示的弹簧振子,在开始时,将振子由O拉到B,然后释放系统发生振动.振子由O到B的运动过程中受到回复力的方向________,回复力的大小________;振子运动的速度方向________,速度的大小将________;振子运动的加速度方向________,加速度的大小将________;系统的弹性势能将________,振子的动能将________,系统的机械能将________

可供选择的答案

①向右   ②向左   ③向上   ④向下

⑤由小变大 ⑥由大变小 ⑦保持不变

查看答案和解析>>

如图所示,理想变压器原线圈匝数为,两个副线圈匝数分别为,且=4∶2∶1,输入电压,则输入的电流I1大小是

[  ]

A.0.4A   B.0.1A   C.0.5A   D.以上答案都不对

 

查看答案和解析>>

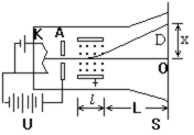
图中是一个电子射线管, 由热阴极K发出的电子被阳极A与阴极K间的电场加速, 从阳极A上的小孔穿出的电子束经过平行板电容器射向荧光屏. 设A, K间的电势差为U, 电子自阴极发出时的初速度可不计, 电容器两板间除有电场外, 还有一匀强磁场, 磁感应强度大小为B, 方向垂直纸面向外, 极板宽度为ι, 如图所示:问:(1)电容器两板间的电场强度为_______时, 电子束不发生偏转, 直射到荧光屏S上的O点.(2)去掉两极板间的电场, 电子束仅在磁场作用下向上偏转, 射在荧光屏S上的D点, 求D点到O点的距离 x= ______.

[  ]

         

D. 以上答案均不对.

 

查看答案和解析>>


同步练习册答案