21. ②EDBA, ③111.10±0.05,×10-7 m ②C, ③m1·OP= m1·OM+ m2·ON, m1·OP2 = m1·OM2 + m2·ON2, ④ 海淀区二模反馈题 查看更多

 

题目列表(包括答案和解析)

在水平圆盘上分别放甲、乙、丙三个质量分别为m、2m、3m的物体,其轨道半径分别为r、2r、3r如图所示,三个物体的最大静擦力皆为所受重力的k倍,当圆盘角速度由小缓慢增加,相对圆盘首先滑动的是:(  )

  A、甲物体  B、乙物体

  C、丙物体  D、三个物体同时滑动

查看答案和解析>>

如图所示是一种娱乐设施“魔盘”,而且画面反映的是魔盘旋转转速较大时,盘中人的情景.甲、乙、丙三位同学看了图后发生争论,甲说:“图画错了,做圆周运动的物体受到向心力的作用,魔盘上的人应该向中心靠拢”.乙说:“图画得对,因为旋转的魔盘给人离心力,所以人向盘边缘靠拢.”丙说:“图画得对,当盘对人的摩擦力不能满足人做圆周运动的向心力时,人会逐渐远离圆心.”该三位同学的说法应是(  )

A.甲正确  B.乙正确  C.丙正确  D.无法判断

 

查看答案和解析>>

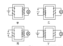
图中可以将电压升高供给电灯的变压器是

A.甲图                              B.乙图    

C.丙图                               D.丁图

 

查看答案和解析>>

如图5-2-6所示正弦交变电源与电阻R、交流电压表、交流电流表按照图5-2-6(甲)所示的方式连接,R=200 Ω,图5-2-6(乙)是交变电源输出电压u随时间t变化的图象,则(  )?

         

(甲)                (乙)

图5-2-6

A.交流电压表的读数是311 V?

B.交流电流表的读数是1.1 A?

C.R两端电压随时间变化的规律是uR=311cosπt (V)?

D.R两端电压随时间变化的规律是uR=311cos100πt (V)?

查看答案和解析>>

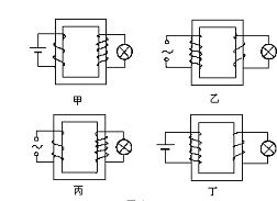
图中可以将电压升高供给电灯的变压器是

A.甲图   B.乙图    
C.丙图  D.丁图

查看答案和解析>>


同步练习册答案