胃酸过多的胃溃疡病患者所用的药剂中不能用NaHCO3.这是因为 . 查看更多

 

题目列表(包括答案和解析)

有一根细长而均匀的金属管线样品,长约为60cm,电阻大约为6Ω。横截面如图甲所示。

①用螺旋测微器测量金属管线的外径,示数如图乙所示,金属管线的外径为_________mm;

②现有如下器材

A.电流表(量程0.6A,内阻约0.1Ω)

B.电流表(量程3A,内阻约0.03Ω)

C.电压表(量程3V,内阻约3kΩ)

D.滑动变阻器(1750Ω,0.3 A)

E.滑动变阻器(15Ω,3A)

F.蓄电池(6V,内阻很小)

G.开关一个,带夹子的导线若干

要进一步精确测量金属管线样品的阻值,电流表应选     ,滑动变阻器应选     。(只填代号字母)。

③请将图丙所示的实际测量电路补充完整。

④已知金属管线样品材料的电阻率为r,通  过多次测量得出金属管线的电阻为R,金属管线的外径为d,要想求得金属管线内形状不规则的中空部分的截面积S,在前面实验的基础上,还需要测量的物理量是    (所测物理量用字母表示并用文字说明)。计算中空部分截面积的表达式为S=           

 

查看答案和解析>>

(18分)

(1)(6分)某同学利用“插针法”测定玻璃的折射率,所用的玻璃砖两面平行。正确操作后,作出的光路图及测出的相关角度如图所示。

①此玻璃的折射率计算式为=      (用图中的表示);②如果有几块宽度大小不同的平行玻璃砖可供选择,为了减小误差,应选用宽度      (填“大”或“小”)的玻璃砖来测量。

(2)(6分)某实验小组研究橡皮筋伸长与所受拉力的关系。实验时,将原长约200mm的橡皮筋上端固定,在竖直悬挂的橡皮筋下端逐一增挂钩码(质量均为20g),每增挂一只钩码均记下对应的橡皮筋伸长量;当挂上10只钩码后,再逐一把钩码取下,每取下一只钩码,也记下对应的橡皮筋伸长量。根据测量数据,作出增挂钩码和减挂钩码时的橡皮筋伸长量△与拉力关系的图像如图所示。从图像中可以得出       。(填选项前的字母)

A.增挂钩码时△成正比,而减挂钩码时△不成正比

B.当所挂钩码数相同时,增挂钩码时橡皮筋的伸长量比减挂钩码时的大

C.当所挂钩码数相同时,增挂钩码时橡皮筋的伸长量与减挂钩码时的相等

D.增挂钩码时所挂钩码数过多,导致橡皮筋超出弹性限度

(3)(6分)如图所示是一些准备用来测量待测电阻阻值的实验器材,器材及其规格列表如下: 

器   材

规       格

待测电阻

电源

电压表V1

电压表V2

电流表A

滑动变阻器

开关S、导线若干

阻值在900Ω-1000Ω之间

具有一定内阻,电动势约9.0V

量程2.0V,内阻=1000Ω

量程5.0V,内阻=2500Ω

量程3.0A,内阻=0.10Ω

最大阻值约100Ω,额定电流0.5A

为了能正常进行测量并尽可能减小测量误差,实验要求测量时电表的读数大于其量程的一半,而且调节滑动变阻器能使电表读数有较明显的变化。请用实线代替导线,在所给的实验器材图中选择若干合适的器材,连成满足要求的测量阻值的电路。

 

查看答案和解析>>

(1)某同学利用“插针法”测定玻璃的折射率,所用的玻璃砖两面平行。正确操作后,作出的光路图及测出的相关角度如图所示。

①此玻璃的折射率计算式为=      (用图中的表示);②如果有几块宽度大小不同的平行玻璃砖可供选择,为了减小误差,应选用宽度      (填“大”或“小”)的玻璃砖来测量。

(2)某实验小组研究橡皮筋伸长与所受拉力的关系。实验时,将原长约200mm的橡皮筋上端固定,在竖直悬挂的橡皮筋下端逐一增挂钩码(质量均为20g),每增挂一只钩码均记下对应的橡皮筋伸长量;当挂上10只钩码后,再逐一把钩码取下,每取下一只钩码,也记下对应的橡皮筋伸长量。根据测量数据,作出增挂钩码和减挂钩码时的橡皮筋伸长量△与拉力关系的图像如图所示。从图像中可以得出       。(填选项前的字母)

A.增挂钩码时△成正比,而减挂钩码时△不成正比

B.当所挂钩码数相同时,增挂钩码时橡皮筋的伸长量比减挂钩码时的大

C.当所挂钩码数相同时,增挂钩码时橡皮筋的伸长量与减挂钩码时的相等

D.增挂钩码时所挂钩码数过多,导致橡皮筋超出弹性限度

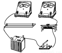
(3)如图所示是一些准备用来测量待测电阻阻值的实验器材,器材及其规格列表如下: 

器   材

规       格

待测电阻

电源

电压表V1

电压表V2

电流表A

滑动变阻器

开关S、导线若干

阻值在900Ω-1000Ω之间

具有一定内阻,电动势约9.0V

量程2.0V,内阻=1000Ω

量程5.0V,内阻=2500Ω

量程3.0A,内阻=0.10Ω

最大阻值约100Ω,额定电流0.5A


为了能正常进行测量并尽可能减小测量误差,实验要求测量时电表的读数大于其量程的一半,而且调节滑动变阻器能使电表读数有较明显的变化。请用实线代替导线,在所给的实验器材图中选择若干合适的器材,连成满足要求的测量阻值的电路。

查看答案和解析>>

(18分)
(1)(6分)某同学利用“插针法”测定玻璃的折射率,所用的玻璃砖两面平行。正确操作后,作出的光路图及测出的相关角度如图所示。

①此玻璃的折射率计算式为=      (用图中的表示);②如果有几块宽度大小不同的平行玻璃砖可供选择,为了减小误差,应选用宽度     (填“大”或“小”)的玻璃砖来测量。
(2)(6分)某实验小组研究橡皮筋伸长与所受拉力的关系。实验时,将原长约200mm的橡皮筋上端固定,在竖直悬挂的橡皮筋下端逐一增挂钩码(质量均为20g),每增挂一只钩码均记下对应的橡皮筋伸长量;当挂上10只钩码后,再逐一把钩码取下,每取下一只钩码,也记下对应的橡皮筋伸长量。根据测量数据,作出增挂钩码和减挂钩码时的橡皮筋伸长量△与拉力关系的图像如图所示。从图像中可以得出      。(填选项前的字母)

A.增挂钩码时△成正比,而减挂钩码时△不成正比
B.当所挂钩码数相同时,增挂钩码时橡皮筋的伸长量比减挂钩码时的大
C.当所挂钩码数相同时,增挂钩码时橡皮筋的伸长量与减挂钩码时的相等
D.增挂钩码时所挂钩码数过多,导致橡皮筋超出弹性限度
(3)(6分)如图所示是一些准备用来测量待测电阻阻值的实验器材,器材及其规格列表如下: 
器  材
规      格
待测电阻
电源
电压表V1
电压表V2
电流表A
滑动变阻器
开关S、导线若干
阻值在900Ω-1000Ω之间
具有一定内阻,电动势约9.0V
量程2.0V,内阻=1000Ω
量程5.0V,内阻=2500Ω
量程3.0A,内阻=0.10Ω
最大阻值约100Ω,额定电流0.5A

为了能正常进行测量并尽可能减小测量误差,实验要求测量时电表的读数大于其量程的一半,而且调节滑动变阻器能使电表读数有较明显的变化。请用实线代替导线,在所给的实验器材图中选择若干合适的器材,连成满足要求的测量阻值的电路。

查看答案和解析>>

 

(1)(6分)某同学利用“插针法”测定玻璃的折射率,所用的玻璃砖两面平行。正确操作后,做出的光路图及测出的相关角度如图所示。①次玻璃的折射率计算式为n=__________(用图中的表示);②如果有几块宽度大小不同的平行玻璃砖可供选择,为了减少误差,应选用宽度_____(填“大”或“小”)的玻璃砖来测量。

  

(2)(6分)某实验小组研究橡皮筋伸长与所受拉力的关系。实验时,将原长约200mm的橡皮筋上端固定,在竖直悬挂的橡皮筋下端逐一增挂钩码(质量均为20g),每增挂一只钩码均记下对应的橡皮筋伸长量;当挂上10只钩码后,再逐一把钩码取下,每取下一只钩码,也记下对应的橡皮筋伸长量。根据测量数据,作出增挂钩码和减挂钩码时的橡皮筋伸长量l与拉力F关系的图像如图所示。从图像中可以得出_______。(填选项前的字母)

A.增挂钩码时l与F成正比,而减挂钩码时l与F不成正比

B.当所挂钩码数相同时,增挂钩码时橡皮筋的伸长量比减挂钩码时的大

C.当所挂钩码数相同时,增挂钩码时橡皮筋的伸长量与减挂钩码时的相等

D.增挂钩码时所挂钩码数过多,导致橡皮筋超出弹性限度

 (3)(6分)如图所示是一些准备用来测量待测电阻Rx阻值的实验器材,器材及其规格列表如下

为了能正常进行测量并尽可能减少测量误差,实验要求测量时电表的读数大于其量程的一半,而且调节滑动变阻器能使电表读数有较明显的变化。请用实线代表导线,在所给的实验器材图中选择若干合适的器材,连成满足要求的测量Rx阻值的电路。

 

查看答案和解析>>


同步练习册答案