13.将这只电流表接入图(丙)所示电路.在闭合开关S的瞬间.电流表指针向左偏.则电源的 端为正极 查看更多

 

题目列表(包括答案和解析)

二极管是一种半导体元件,电路符号为“”,其特点是具有单向导电性,即电流从正极流入时电阻比较小,而从负极流入时电阻很大。

①某实验兴趣小组用多用电表粗测其正向电阻。他们先将多用电表的选择开关指向欧姆档中“”档位并正确进行调零,再将多用电表的________表笔(选填“红”、“黑”)与待测二极管的“+”极相接,其表盘及指针所指位置如图甲所示,则此时品体二极管的电阻为__________

②该小组只对该二极管加正向电压时的伏安特性曲线进行测绘,设计了如图乙所示的电路,已知电源E为电动势3V,内阻可忽略不计的电源,滑动变阻器R为0~20,可选用的电压表和电流表如下:

A.量程15V、内阻约的电压表一只;

B.量程3V、内阻约的电压表一只;

C.量程0.6A、内阻约的电流表一只;

D.量程30mA、内阻约的电流表一只;

为了提高测量结果的准确度,电压表应选用_________,电流表应选用_______。(填序号字母)

③请用笔画线代替导线,在答题卡上把丙图中的实物连接成完整的测量电路。

④小组根据实验数据,描出了这个二极管的伏安特性曲线如图丁所示,根据坐标的示数,可以本出曲线上的某点对应的二极管的电功率__________

 

查看答案和解析>>

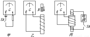
在研究电磁感应现象实验中:
(1)将电流表接成如图甲所示电路,闭合电键SA,电流表指针向左偏,将这只表接入如图乙所示电路中,电流表指针向
偏.
(2)若将这只电表接入如图丙所示电路,闭合电键SA的瞬时指针向左偏,则电源的
端为正极(填“上”或“下”).

查看答案和解析>>

在研究电磁感应现象实验中:
(1)将电流表接成如图甲所示电路,闭合电键SA,电流表指针向左偏,将这只表接入如图乙所示电路中,电流表指针向    偏.
(2)若将这只电表接入如图丙所示电路,闭合电键SA的瞬时指针向左偏,则电源的    端为正极(填“上”或“下”).

查看答案和解析>>

(1)(6分)甲乙两个同学共同做“验证牛顿第二定律”的实验,装置如图所示。

①两位同学用砝码盘(连同砝码)的重力作为小车受到的合力,需要平衡桌面的摩擦力对小车运动的影响,将长木板的一端适当垫高,在不挂砝码盘的情况下,轻推小车,能使小车做_______________运动。另外,还应满足砝码盘(连同砝码)的质量m             小车的质量M。(填“远小于”、“远大于”或“近似等于”)接下来,甲同学在保持小车质量不变的条件下,研究加速度与合力的关系;乙同学在保持合力不变的条件下,研究小车的加速度与质量的关系。
②甲同学通过对小车所牵引纸带的测量,就能得出小车的加速度a。图2是某次实验所打出的一条纸带,在纸带上标出了5个计数点,在相邻的两个计数点之间还有4个点未标出,图中数据的单位是cm。

实验中使用的电源是频率f=50Hz的交变电流。根据以上数据,可以算出小车的加速度a=           m/s2。(结果保留三位有效数字)
(2)(12分)小明利用实验室提供的器材测量某种电阻丝材料的电阻率,所用电阻丝的电阻约为20Ω。他首先把电阻丝拉直后将其两端固定在刻度尺两端的接线柱a和b上,在电阻丝上夹上一个与接线柱c相连的小金属夹,沿电阻丝移动金属夹,可改变其与电阻丝接触点P的位置,从而改变接入电路中电阻丝的长度。可供选择的器材还有:
电池组E(电动势为3.0V,内阻约1Ω);
电流表A1(量程0~100mA,内阻约5W);
电流表A2(量程0~0.6A,内阻约0.2Ω);
电阻箱R(0~999.9W);
开关、导线若干。
小明的实验操作步骤如下:

A.用螺旋测微器在电阻丝上三个不同的位置分别测量电阻丝的直径d;
B.根据所提供的实验器材,设计并连接好如图甲所示的实验电路;
C.调节电阻箱使其接入电路中的电阻值较大,闭合开关;
D.将金属夹夹在电阻丝上某位置,调整电阻箱接入电路中的电阻值,使电流表满偏,记录电阻箱的电阻值R和接入电路的电阻丝长度L;
E.改变金属夹与电阻丝接触点的位置,调整电阻箱接入电路中的阻值,使电流表再次满偏。重复多次,记录每一次电阻箱的电阻值R和接入电路的电阻丝长度L。
F.断开开关。
①小明某次用螺旋测微器测量电阻丝直径时其示数如图乙所示,则这次测量中该电阻丝直径的测量值d="____________" mm;
②实验中电流表应选择_____________(选填“A1”或“A2”);
③小明用记录的多组电阻箱的电阻值R和对应的接入电路中电阻丝长度L的数据,绘出了如图丙所示的R-L关系图线,图线在R轴的截距为R0,在L轴的截距为L0,再结合测出的电阻丝直径d,可求出这种电阻丝材料的电阻率r=____________(用给定的物理量符号和已知常数表示)。
④若在本实验中的操作、读数及计算均正确无误,那么由于电流表内阻的存在,对电阻率的测量结果是否会产生影响?若有影响,请说明测量结果将偏大还是偏小。(不要求分析的过程,只回答出分析结果即可)
答:                     

查看答案和解析>>

(1)(6分)甲乙两个同学共同做“验证牛顿第二定律”的实验,装置如图所示。

①两位同学用砝码盘(连同砝码)的重力作为小车受到的合力,需要平衡桌面的摩擦力对小车运动的影响,将长木板的一端适当垫高,在不挂砝码盘的情况下,轻推小车,能使小车做_______________运动。另外,还应满足砝码盘(连同砝码)的质量m              小车的质量M。(填“远小于”、“远大于”或“近似等于”)接下来,甲同学在保持小车质量不变的条件下,研究加速度与合力的关系;乙同学在保持合力不变的条件下,研究小车的加速度与质量的关系。

②甲同学通过对小车所牵引纸带的测量,就能得出小车的加速度a。图2是某次实验所打出的一条纸带,在纸带上标出了5个计数点,在相邻的两个计数点之间还有4个点未标出,图中数据的单位是cm。

实验中使用的电源是频率f=50Hz的交变电流。根据以上数据,可以算出小车的加速度a=            m/s2。(结果保留三位有效数字)

(2)(12分)小明利用实验室提供的器材测量某种电阻丝材料的电阻率,所用电阻丝的电阻约为20Ω。他首先把电阻丝拉直后将其两端固定在刻度尺两端的接线柱a和b上,在电阻丝上夹上一个与接线柱c相连的小金属夹,沿电阻丝移动金属夹,可改变其与电阻丝接触点P的位置,从而改变接入电路中电阻丝的长度。可供选择的器材还有:

电池组E(电动势为3.0V,内阻约1Ω);

电流表A1(量程0~100mA,内阻约5W);

电流表A2(量程0~0.6A,内阻约0.2Ω);

电阻箱R(0~999.9W);

开关、导线若干。

小明的实验操作步骤如下:

A.用螺旋测微器在电阻丝上三个不同的位置分别测量电阻丝的直径d;

B.根据所提供的实验器材,设计并连接好如图甲所示的实验电路;

C.调节电阻箱使其接入电路中的电阻值较大,闭合开关;

D.将金属夹夹在电阻丝上某位置,调整电阻箱接入电路中的电阻值,使电流表满偏,记录电阻箱的电阻值R和接入电路的电阻丝长度L;

E.改变金属夹与电阻丝接触点的位置,调整电阻箱接入电路中的阻值,使电流表再次满偏。重复多次,记录每一次电阻箱的电阻值R和接入电路的电阻丝长度L。

F.断开开关。

①小明某次用螺旋测微器测量电阻丝直径时其示数如图乙所示,则这次测量中该电阻丝直径的测量值d=____________ mm;

②实验中电流表应选择_____________(选填“A1”或“A2”);

③小明用记录的多组电阻箱的电阻值R和对应的接入电路中电阻丝长度L的数据,绘出了如图丙所示的R-L关系图线,图线在R轴的截距为R0,在L轴的截距为L0,再结合测出的电阻丝直径d,可求出这种电阻丝材料的电阻率r=____________(用给定的物理量符号和已知常数表示)。

④若在本实验中的操作、读数及计算均正确无误,那么由于电流表内阻的存在,对电阻率的测量结果是否会产生影响?若有影响,请说明测量结果将偏大还是偏小。(不要求分析的过程,只回答出分析结果即可)

答:                     

 

查看答案和解析>>


同步练习册答案