18.一台直电动机两端加100V电压.若按住转子使它不能转动.这时流过电动机的电流25A,当电动机正常工作时.流过电动机的电流为5A.则此电动机的电阻多大?正常工作时电动机输出的机械功率为多少W? 查看更多

 

题目列表(包括答案和解析)

一台直流电动机所加电压为110V,通过的电流为5A,该电动机在10s内把一个质量为50Kg的物体匀速提高了9m,求电动机的电功率和电动机线圈的电阻(不计摩擦)

查看答案和解析>>

如图所示,一台直流电动机所加的电压为110 V,通过的电流为5 A.该电动机在10 s内把一个质量为50 kg的物体匀速提升了9 m.求:

直流电动机示意图

(1)电动机的电功率;

(2)电动机线圈的电阻(不计摩擦).

查看答案和解析>>

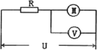
如图5-8所示,一台直流电动机线圈电阻r=1 Ω,与一阻值R=10 Ω的电阻串联,当所加电压U=150 V,电动机正常工作时电压表示数U1=100 V,求电动机消耗的功率及机械功率.

图5-8

查看答案和解析>>

一台电动机,线圈电阻是0.4Ω,当电动机两端加220 V电压时,通过电动机的电流是50 A。这台电动机每分钟所做的机械功是多少?

查看答案和解析>>

一台直流电动机线圈电阻r=1 Ω,与一阻值R=10 Ω的电阻串联,当所加电压U=150 V,电动机正常工作时理想电压表示数为100 V,求:

(1)通过电动机的电流;

(2)电动机消耗的电功率;

(3)电动机输出的机械功率.

查看答案和解析>>


同步练习册答案