12.如图所示.理想变压器副线圈上通过输电线接两个相同的灯泡L1和L2输电线的等效电阻为R.原线圈接有一理想电流表.开始时.电键S接通.当S断开.以下说法中正确的是 A. 副线圈两端MN的输出电压减小 B.等效电阻R上的电压减小 C. 通过灯泡L1的电流增大 D. 原线圈中电流表示数减小 查看更多

 

题目列表(包括答案和解析)

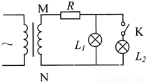
如图所示,理想变压器副线圈上通过输电线接两个相同的灯泡L1和L2输电线的等效电阻为R,原线圈接有一理想电流表.开始时,电键S接通.当S断开,以下说法中正确的是(  )
A.副线圈两端MN的输出电压减小
B.等效电阻R上的电压减小
C.通过灯泡L1的电流增大
D.原线圈中电流表示数减小
精英家教网

查看答案和解析>>

如图所示,理想变压器副线圈上通过输电线接两个相同的灯泡L1和L2输电线的等效电阻为R,原线圈接有一理想电流表.开始时,电键S接通.当S断开,以下说法中正确的是( )

A.副线圈两端MN的输出电压减小
B.等效电阻R上的电压减小
C.通过灯泡L1的电流增大
D.原线圈中电流表示数减小

查看答案和解析>>

精英家教网如图所示,理想变压器副线圈通过输电线接两个相同的灯泡L1和L2输电线的等效电阻为R.开始时,开关S断开,当S接通时,以下说法正确的是(  )
A、副线圈两端的输出电压减小B、输电线等效电阻R上的电压增大C、灯泡L1变亮D、原线圈中的电流增大

查看答案和解析>>

如图所示,理想变压器原线圈a、b两端接正弦式电压,副线圈c、d两端通过输电线接两只相同的灯泡L1和L2,输电线的等效电阻为R,在图示状态,开关S是断开的,当开关S闭合时,下列各量中减小的是(  )

查看答案和解析>>

如图所示,理想变压器原线圈两端接正弦交变电压,副线圈两端通过输电线接一只灯泡和一只滑动变阻器,输电线的电阻不计,在图示状态,当滑动片P向上滑动过程中,下列判断正确的是(  )

查看答案和解析>>


同步练习册答案