由于子弹射木块时间极短.如果题目不要求考虑木块的长度.则可认为子弹和木块的位移均为0.射过之后.可认为子弹和木块仍在原来的位置, 例 题: 如图所示.质量为M.长为L的木板以速度沿光滑的水平面向右运动.某时刻将一可视为质点的质量为m的铁块轻放到木板的右端. (1)从两个角度画出运动示意图.并写出相应的铁块从木板左端滑出的条件式, (2)如果铁块与木板间的滑动摩擦系数为μ.则要使铁块从木板左端滑出.要多大?请写出可能的表达式.并考虑选用哪几个表达式解题比较方便, (3)如果水平面不光滑.木板与水平面的滑动摩擦系数也为μ.则要使铁块从木板左端滑出.要多大?请写出可能的表达式.并考虑选用哪几个表达式解题比较方便. 分析画出两运动示意图如下: 写出相应的滑出条件式:当时.d≥L,或当d=L时.≤. 请两名学生在黑板上分别板书有关问题.老师巡视学生情况.学生板书结束后.老师作点评 . 解析:(1) ①对系统应用动量守恒定律: ②用动量定理: 对铁块: 对木板: ③用动能定理: 对铁块: 对木板: ④对系统应用能量转化和守恒定律: ⑤应用牛顿第二定律:对铁块:, 对木板: ⑥应用运动学知识: 对铁块:作匀减运动..- 对木板:作匀速运动..- ⑦几何关系: ⑧滑出的条件:当时.d≥L,或当d=L时.≤. (2) ①用动量定理: 对铁块: 对木板: ②用动能定理: 对铁块: 对木板: ③对系统应用能量转化和守恒定律: ④应用牛顿第二定律:对铁块:, 对木板: ⑤应用运动学知识: 对铁块:作匀减运动..- 对木板:作匀速运动..- ⑥几何关系: ⑦滑出的条件:当时.d≥L,或当d=L时.≤. 作业: 子弹射木块类问题练习一: 查看更多

 

题目列表(包括答案和解析)

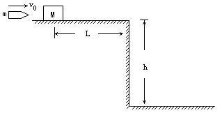
如图所示,高为h=10m的平台上,放一质量为M=9.9kg的木块,它与平台边缘的距离为L=1m.今有一质量m=0.1kg的子弹,以水平向右的速度射入木块(时间极短),并留在木块中,木块向右滑行并冲出平台,最后落在离平台边缘水平距离x=m处,已知木块与平台间的动摩擦因数为μ=,g=10m/.求:

(1)木块离开平台边缘时的速度;

(2)子弹射入木块的初速度

查看答案和解析>>

如图所示,高为h=10m的平台上,放一质量为M=9.9kg的木块,它与平台边缘的距离为L=1m.今有一质量m=0.1kg的子弹,以水平向右的速度射入木块(时间极短),并留在木块中,木块向右滑行并冲出平台,最后落在离平台边缘水平距离x=m处,已知木块与平台间的动摩擦因数为μ=,g=10m/.求:

(1)木块离开平台边缘时的速度;

(2)子弹射入木块的初速度

查看答案和解析>>

精英家教网如图所示,有一足够长的水平轨道AB,在B点处与一半径R=150m的光滑弧形轨道BC相切,一质量M=0.99kg的木块静止于B处.现有一颗质量m=10g的子弹以v0=300m/s的水平速度从左边射入木块(未穿出木块),由于子弹与木块相互作用的时间极短,所以假定子弹
撞击木块后两者仍在B点,并且一起沿光滑弧形轨道上滑,能够到达高h=0.45m的最高处C.已知木块与水平轨道AB之间的动摩擦因数μ=0.5.试问:
(1)子弹射入木块的瞬间由于摩擦产生了多少J的内能?
(2)子弹射入木块后,木块经多长时间停下?

查看答案和解析>>

如图所示,有一足够长的水平轨道AB,在B点处与一半径R=150m的光滑弧形轨道BC相切,一质量M=0.99kg的木块静止于B处.现有一颗质量m=10g的子弹以v=300m/s的水平速度从左边射入木块(未穿出木块),由于子弹与木块相互作用的时间极短,所以假定子弹
撞击木块后两者仍在B点,并且一起沿光滑弧形轨道上滑,能够到达高h=0.45m的最高处C.已知木块与水平轨道AB之间的动摩擦因数μ=0.5.试问:
(1)子弹射入木块的瞬间由于摩擦产生了多少J的内能?
(2)子弹射入木块后,木块经多长时间停下?

查看答案和解析>>

精英家教网在足够长的光滑固定水平杆上,套有一个质量为m=0.5kg的光滑圆环.一根长为L=lm的轻绳,一端拴在环上,另一端系着一个质量为M=2kg的木块,如图所示.现有一质量为m0=20g的子弹以v0=1000m/s的水平速度射入木块,子弹穿出木块时的速度为u=200m/s,子弹与木块作用的时间极短,取g=10m/s2.求:
(1)当子弹射穿木块时,轻绳的拉力大小F;
(2)当子弹射穿木块后,木块向右摆动的最大高度h;
(3)当木块第一次返回到最低点时,木块的速度大小vM

查看答案和解析>>


同步练习册答案