下图为一电路板的示意图.a.b.c.d为接线柱.a.d与220V的交流电源连接.ab间.bc间.cd间分别连接一个电阻.现发现电路中没有电流.为检查电路故障.用一交流电压表分别测得b.d两点间以及a.c两点间的电压均为220V.由此可知( ) A. ab间电路通.cd间电路不通 B. ab间电路不通.bc间电路通 C. ab间电路通.bc间电路不通 D. bc间电路不通.cd间电路通 查看更多

 

题目列表(包括答案和解析)

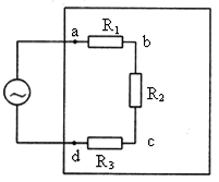
下图为一电路板的示意图,a、b、c、d为接线柱,a、d与220V的交流电源连接,ab间、bc间、cd间分别连接一个电阻.现发现电路中没有电流,为检查电路故障,用一交流电压表分别测得b、d两点间以及a、c两点间的电压均为220V,由此可知

[  ]

A.ab间电路通,cd间电路不通

B.ab间电路不通,bc间电路通

C.ab间电路通,bc间电路不通

D.bc间电路不通,cd间电路通

查看答案和解析>>

【选做题】请从A、B两模块中选定一个模块作答,如都作答则按A模块评分,本题选择题4分,非选择题8分,共12分.
A、(选修模块3-4)
(1)图一中所示是用光学的方法来检查一物体表面平整程度的装置,其中A为标准平板,B为被检查的物体,C为单色入射光.如要说明能检查平面平整程度的道理,则需要用到下列哪些光学概念?
A
A

A.反射和干涉B.全反射和干涉
C.反射和衍射D.全反射和衍射
(2)下列说法中正确的是
CD
CD

A.x射线穿透物质的本领比γ射线更强
B.红光由空气进入水中,波长变长、颜色不变
C.狭义相对论认为物体的质量与其运动状态有关
D.观察者相对于频率一定的声源运动时,接受到声波的频率可能发生变化
(3)在某介质中形成一列简谐波,波向右传播,在0.1s时刻刚好传到B点,波形如图二中实线所示,且再经过0.6s,P点也开始振动.

求:
①该列波的周期T;
②从t=0时刻起到P点第一次达到波峰时止,O点对平衡位置的位移y0及其所经过的路程s0各为多少?
B、(选修模块3-5)
(1).人们在研究原子结构时提出过许多模型,其中比较有名的是枣糕模型和核式结构模型,它们的模型示意图如图所示.

下列说法中正确的是
B
B

A.α粒子散射实验与枣糕模型和核式结构模型的建立无关
B.科学家通过α粒子散射实验否定了枣糕模型,建立了核式结构模型
C.科学家通过α粒子散射实验否定了核式结构模型,建立了枣糕模型
D.科学家通过α粒子散射实验否定了枣糕模型和核式结构模型,建立了波尔的原子模型
(2)从氢气放电管可以获得氢原子光谱.1885年瑞士中学教师巴尔末对当时已发现的在可见光区的谱线做了分析,发现这些谱线的波长可以用一个公式表示.如果采用波长λ的倒数,这个公式可写作:
1
λ
=Rn(
1
22
-
1
n2
)(n=3,4,5,6,…)(RH
为常数)
自巴尔末系发现后,人们又在紫外区和红外区发现了一些新的谱线,这些谱线也可以用类似巴尔末的简单公式来表示,例如赖曼系公式:
1
λ
=RH(
1
12
-
1
n2
)(n=2,3,4,5,…)
(RH为常数)
1913年丹麦物理学家玻尔提出了著名的原子结构和氢光谱理论.上述两个公式中的n在波尔理论中被称为量子数.玻尔氢原子理论的能级图如图所示.

阅读了上面的资料后,你认为巴尔末系是氢原子能级图中的
B
B

A.线系I    B.线系II    C.线系III D.线系IV
(3)在光滑水平面上有一个静止的质量为M的木块,一颗质量为m的子弹以初速度v0水平射入木块而没有穿出,子弹射入木块的最大深度为d.设子弹射入木块的过程中木块运动的位移为s,子弹所受阻力恒定.试证明:s<d.

查看答案和解析>>

 [选做题]本题包括A、B、C三个小题,请选定其中两题,并在相应的答题区域内作答。若三题都做,则按A、B两题评分。

A.(选修模块3—3)(12分)

  (1)以下说法正确的是          

    A.满足能量守恒的定律的宏观过程都是可以自发进行的

    B.熵是物体内分子运动无序程度的量度

    C.若容器中用活塞封闭着刚好饱和的一些水汽,当保持温度不变向下缓慢压活塞时,水汽的质量减少,密度不变。

    D.当分子间距离增大时,分子间引力增大,而分子间斥力减小

  (2)如图所示,由导热材料制成的气缸和活塞将一定质量的理想气体封闭在气缸内,活塞与气缸壁之间无摩擦,活塞上方存有少量液体,将一细管插入液体,利用虹吸收现象,使活塞上方液体缓慢流出,在些过程中,大气压强与外界的温度均保持不变,下列各个描述理想气体状态变化的图像中与上述过程相符合的是            图,该过程为       过程(选填“吸热”、“放热”或“绝热”)

 
   (3)如图,一集热箱里面封闭着一定量的气体,集热板作为箱的活塞且始终正对着太阳,其面积为S,在t时间内集热箱里气体膨胀对牙做功的数值为W,其内能增加了△U,不计封闭气体向外散的热,已知照射到集热板上太阳光的能量为50%被箱内气体吸收,求:

       ①这段时间内的集热箱里气体共吸收的热量;

②太阳光照在集热板单位面积上的辐射功率。

 

B.(选修模块3—4)(12分)

  (1)下列说法中正确的是       

    A.散光比自然光的相干性好

    B.紫外线在水中的传播速度大于红外线在水中的传播速度

    C.在“探究单摆周期与摆长的关系”实验中,测量单摆周期应该从小球经过最低点开始计时,以减小实验误差

    D.接收电磁波时首先要进行调频

  (2)如图所示,一个半径为R的透明圆柱体放置在水平面上,一束蓝光从A点沿水平方向垂直于左表面射入柱体后经B点射出,最后射到水平面上的C点。已知,该柱体对蓝光的折射率为,则它从右侧面射出时的出射角=   ;若将蓝光换成紫色,则它从柱体射出后落到水平面上形成的光点与C点相比,位置

                    (选填“偏左”、“偏右”或“不变”)。

(3)一列横波在某时刻的波动图像如图所示,从此时开始质点比质点早到达波谷。求:

 
       ①此波的传播方向和波速大小;

质点通过的路程。

 

 

 

 

C.(选择模块3—5)(12分)

  (1)下列说法正确的是                 

    A.黑体辐射,随着温度的升高,一方面各种波长的辐射强度都有增加,加一方面辐射强度的极大值向波长较短的方向移动。

    B.原子核越大,它的结合能越高,原子核中核子结合得越牢固。

    C.在康普顿效应中,当入射光子与晶体中的电子碰撞时,把一部分动量转移给电子,因此光子散射后波长变长。

    D.4个放射性元素的原子核经过一个半衰期后一定还剩下2个没有发生衰变。

 
   (2)一群氢原子处于量子数的能级状态,

氢原子的能级示意图如图,那么①该群氢

原子可能发射              种频率的

光子。

②氢原子由的能级直接跃迁到

的能级时,辐射出的光子照射到逸出功为

的金属钾时能发生光电效应,由此

产生的光电子的最大的初动能是     

  (3)如图所示,在水平光滑直导轨上,静止着三个质量均为的相同小球A、B、C现让A球以的速度向B球运动,A、B两球碰撞后粘合在一起,两球继续向右运动并跟C球碰撞,碰后C球的速度。求:

 
       ①A、B两球碰撞后瞬间的共同速度;

        ②两次碰撞过程中损失的总动能。

 

 

 

查看答案和解析>>

【选做题】请从A、B两模块中选定一个模块作答,如都作答则按A模块评分,本题选择题4分,非选择题8分,共12分.
A、(选修模块3-4)
(1)图一中所示是用光学的方法来检查一物体表面平整程度的装置,其中A为标准平板,B为被检查的物体,C为单色入射光.如要说明能检查平面平整程度的道理,则需要用到下列哪些光学概念?______
A.反射和干涉B.全反射和干涉
C.反射和衍射D.全反射和衍射
(2)下列说法中正确的是______
A.x射线穿透物质的本领比γ射线更强
B.红光由空气进入水中,波长变长、颜色不变
C.狭义相对论认为物体的质量与其运动状态有关
D.观察者相对于频率一定的声源运动时,接受到声波的频率可能发生变化
(3)在某介质中形成一列简谐波,波向右传播,在0.1s时刻刚好传到B点,波形如图二中实线所示,且再经过0.6s,P点也开始振动.

求:
①该列波的周期T;
②从t=0时刻起到P点第一次达到波峰时止,O点对平衡位置的位移y0及其所经过的路程s0各为多少?
B、(选修模块3-5)
(1).人们在研究原子结构时提出过许多模型,其中比较有名的是枣糕模型和核式结构模型,它们的模型示意图如图所示.

下列说法中正确的是______
A.α粒子散射实验与枣糕模型和核式结构模型的建立无关
B.科学家通过α粒子散射实验否定了枣糕模型,建立了核式结构模型
C.科学家通过α粒子散射实验否定了核式结构模型,建立了枣糕模型
D.科学家通过α粒子散射实验否定了枣糕模型和核式结构模型,建立了波尔的原子模型
(2)从氢气放电管可以获得氢原子光谱.1885年瑞士中学教师巴尔末对当时已发现的在可见光区的谱线做了分析,发现这些谱线的波长可以用一个公式表示.如果采用波长λ的倒数,这个公式可写作:
为常数)
自巴尔末系发现后,人们又在紫外区和红外区发现了一些新的谱线,这些谱线也可以用类似巴尔末的简单公式来表示,例如赖曼系公式:
(RH为常数)
1913年丹麦物理学家玻尔提出了著名的原子结构和氢光谱理论.上述两个公式中的n在波尔理论中被称为量子数.玻尔氢原子理论的能级图如图所示.

阅读了上面的资料后,你认为巴尔末系是氢原子能级图中的______
A.线系I    B.线系II    C.线系III D.线系IV
(3)在光滑水平面上有一个静止的质量为M的木块,一颗质量为m的子弹以初速度v0水平射入木块而没有穿出,子弹射入木块的最大深度为d.设子弹射入木块的过程中木块运动的位移为s,子弹所受阻力恒定.试证明:s<d.

查看答案和解析>>

 [选做题]本题包括A、B、C三个小题,请选定其中两题,并在相应的答题区域内作答。若三题都做,则按A、B两题评分。

A.(选修模块3—3)(12分)

   (1)以下说法正确的是          

    A.满足能量守恒的定律的宏观过程都是可以自发进行的

    B.熵是物体内分子运动无序程度的量度

    C.若容器中用活塞封闭着刚好饱和的一些水汽,当保持温度不变向下缓慢压活塞时,水汽的质量减少,密度不变。

    D.当分子间距离增大时,分子间引力增大,而分子间斥力减小

   (2)如图所示,由导热材料制成的气缸和活塞将一定质量的理想气体封闭在气缸内,活塞与气缸壁之间无摩擦,活塞上方存有少量液体,将一细管插入液体,利用虹吸收现象,使活塞上方液体缓慢流出,在些过程中,大气压强与外界的温度均保持不变,下列各个描述理想气体状态变化的图像中与上述过程相符合的是            图,该过程为       过程(选填“吸热”、“放热”或“绝热”)

 
   (3)如图,一集热箱里面封闭着一定量的气体,集热板作为箱的活塞且始终正对着太阳,其面积为S,在t时间内集热箱里气体膨胀对牙做功的数值为W,其内能增加了△U,不计封闭气体向外散的热,已知照射到集热板上太阳光的能量为50%被箱内气体吸收,求:

        ①这段时间内的集热箱里气体共吸收的热量;

②太阳光照在集热板单位面积上的辐射功率。

 

B.(选修模块3—4)(12分)

   (1)下列说法中正确的是       

    A.散光比自然光的相干性好

    B.紫外线在水中的传播速度大于红外线在水中的传播速度

    C.在“探究单摆周期与摆长的关系”实验中,测量单摆周期应该从小球经过最低点开始计时,以减小实验误差

    D.接收电磁波时首先要进行调频

   (2)如图所示,一个半径为R的透明圆柱体放置在水平面上,一束蓝光从A点沿水平方向垂直于左表面射入柱体后经B点射出,最后射到水平面上的C点。已知,该柱体对蓝光的折射率为,则它从右侧面射出时的出射角=    ;若将蓝光换成紫色,则它从柱体射出后落到水平面上形成的光点与C点相比,位置

                     (选填“偏左”、“偏右”或“不变”)。

(3)一列横波在某时刻的波动图像如图所示,从此时开始质点比质点早到达波谷。求:

 
        ①此波的传播方向和波速大小;

质点通过的路程。

 

 

 

 

C.(选择模块3—5)(12分)

   (1)下列说法正确的是                 

    A.黑体辐射,随着温度的升高,一方面各种波长的辐射强度都有增加,加一方面辐射强度的极大值向波长较短的方向移动。

    B.原子核越大,它的结合能越高,原子核中核子结合得越牢固。

    C.在康普顿效应中,当入射光子与晶体中的电子碰撞时,把一部分动量转移给电子,因此光子散射后波长变长。

    D.4个放射性元素的原子核经过一个半衰期后一定还剩下2个没有发生衰变。

 
   (2)一群氢原子处于量子数的能级状态,

氢原子的能级示意图如图,那么①该群氢

原子可能发射               种频率的

光子。

②氢原子由的能级直接跃迁到

的能级时,辐射出的光子照射到逸出功为

的金属钾时能发生光电效应,由此

产生的光电子的最大的初动能是     

   (3)如图所示,在水平光滑直导轨上,静止着三个质量均为的相同小球A、B、C现让A球以的速度向B球运动,A、B两球碰撞后粘合在一起,两球继续向右运动并跟C球碰撞,碰后C球的速度。求:

 
        ①A、B两球碰撞后瞬间的共同速度;

        ②两次碰撞过程中损失的总动能。

 

 

 

查看答案和解析>>


同步练习册答案