在如图所示的电路中.电源的电动势ε=3.0V.内阻r=1.0Ω.电阻R1=10Ω.R2=10Ω.R3=30Ω.R4=35Ω,电容器的电容C=uF.电容器原来不带电.求接通电键K后流过R4的总电量. 查看更多

 

题目列表(包括答案和解析)

在如图所示的电路中,电源的电动势为E,内阻为r,R0为一定值电阻,闭合电键S,当可变电阻R=10Ω时,电压表读数为2V.当可变电阻R=8Ω时,电压表的读示数为U,则下列说法正确的是(  )

查看答案和解析>>

(2003?江苏)在如图所示的电路中,电源的电动势ε=3.0V,内阻r=1.0Ω,电阻R1=10Ω,R2=10Ω,R3=30Ω,R4=35Ω;电容器的电容C=100μF,电容器原来不带电.求接通电键S后流过R4的总电量.

查看答案和解析>>

精英家教网在如图所示的电路中,电源电动势为E、内电阻为r,C为电容器,R0为定值电阻,电表均为理想电表,R为滑动变阻器,开关闭合后,灯泡L能正常发光,当滑动变阻器的滑片向右移动时,下列判断正确的是(  )

查看答案和解析>>

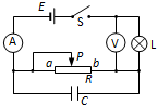
精英家教网在如图所示的电路中,电源的负极接地,其电动势为E、内电阻为r,R1、R2为定值电阻,R3为滑动变阻器,C为电容器,电流表和电压表均为理想的电表.在滑动变阻器滑动头P自a端向b端滑动的过程中,下列说法中正确的是(  )
A、电流表示数变小B、电压表示数变小C、a点的电势降低D、电容器C所带电荷量减少

查看答案和解析>>

在如图所示的电路中,电源电动势为E,内阻忽略不计,闭合开关S,待电流达到稳定后将滑动变阻器的滑动触头P从图示位置向a端移动一些,则待电流再次达到稳定后,与P移动前相比(  )

查看答案和解析>>


同步练习册答案