2BLv/3R 查看更多

 

题目列表(包括答案和解析)

如图所示, p为一块均匀的半圆形合金片, 将它按图甲的方式接在A、B之间时, 测得它的电阻为R, 如果将它按图乙的方式接在A、B之间时, 这时的阻值应是

[  ]

A.R  B.2R  C.3R  D.4R

查看答案和解析>>

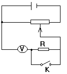
如图所示电路中, 滑动变阻器的总阻值比电压表内阻小得多, 当K闭合时, 电压表的读数是3V, 当K断开时, 电压表的读数是1V, 则电压表的内阻约等于

[  ]

A. R  B. 2R  C. 3R  D. R

查看答案和解析>>

北斗卫星导航系统是中国自行研制开发的三维卫星定位与通信系统(CNSS),它包括5颗同步卫星和30颗非静止轨道卫星,其中还有备用卫星在各自轨道上做匀速圆周运动。设地球半径为R,同步卫星的轨道半径约为6.6R。如果某一备用卫星的运行周期约为地球自转周期的,则该备用卫星离地球表面的高度约为   

A.0.65R     B.1.65R     C.2.3R      D.3.3R

查看答案和解析>>

如图所示,小球沿水平面通过O点进入半径为R的半圆弧轨道后恰能通过最高点P,然后落回水平面,不计一切阻力, 下列说法正确的是(   )

  A.小球落地点离O点的水平距离为3R

  B.小球从开始运动到p点过程中机械能不守恒

  C.若将半圆弧轨道上部的1/4圆弧截去,其他条件不变,则小球能达到的最大高度比P点高0.5R

  D.若将半圆弧轨道上部的一段圆弧截去,其他条件不变,只有截去轨道上部的1/4圆弧时,小球能达到的高度最高

查看答案和解析>>

精英家教网两束平行的细激光束,垂直于半圆柱玻璃的平面射到半圆柱玻璃上,如图所示.已知光线1沿直线穿过玻璃,它的入射点是O;光线2的入射点为A,穿过玻璃后两条光线交于P点.已知玻璃截面的圆半径为R,OA=
R
2
,OP=
3
R,光在真空中的传播速度为c.据此可知(  )
A、光线2在圆弧面的入射角为45°
B、玻璃材料的折射率为
3
C、光线1在玻璃中传播速度为
c
2
D、光线1在玻璃中传播时间为
3
R
2c

查看答案和解析>>


同步练习册答案